STEVAL-IPM10F, Motor Control Power Board based on the SLLIMM 2nd series module STGIF10CH60TS-L of IGBT IPMs
Referenzdesign unter Verwendung des Teils STGIF10CH60TS-L von STMicroelectronics
Zugehörige Dokumente
Für Endprodukte
- Air Compressor
- Air Conditioning
- Fan Controller
- Power Tool
- White Goods
Beschreibung
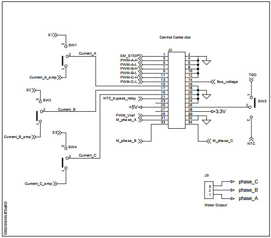
- STEVAL-IPM10F, Motor Control Power Board based on the SLLIMM 2nd series of IGBT IPMs. The STEVAL-IPM10F is a compact motor drive power board based on the SLLIMM (small low-loss intelligent molded module) 2nd series module STGIF10CH60TS-L. It provides an affordable and easy-to-use solution for driving high power motors for a wide range of applications such as white goods, air conditioners, compressors, power fans, high-end power tools and generally 3-phase inverters for motor drives. The IPM itself consists of short-circuit rugged IGBTs and a wide range of features such as under voltage lockout, smart shut-down, temperature sensing and NTC inside and overcurrent protection
Empfohlene Bauteile (9)
| Teilenummer | Hersteller | Typ | Beschreibung | |||
|---|---|---|---|---|---|---|
|
|
TSV994AIYDT | STMicroelectronics | Operational Amplifiers - Op Amps | Op Amp Quad Low Voltage Amplifier R-R I/O 5.5V Automotive AEC-Q100 14-Pin SOIC T/R | In den Warenkorb | |
|
|
TSV994IYPT | STMicroelectronics | Operational Amplifiers - Op Amps | Op Amp Quad Low Voltage Amplifier R-R I/O 5.5V 14-Pin TSSOP T/R Automotive AEC-Q100 | In den Warenkorb | |
|
|
TSV994AIDT | STMicroelectronics | Operational Amplifiers - Op Amps | Op Amp Quad Low Voltage Amplifier R-R I/O 5.5V 14-Pin SOIC T/R | In den Warenkorb | |
|
|
TSV994IPT | STMicroelectronics | Operational Amplifiers - Op Amps | Op Amp Quad Low Voltage Amplifier R-R I/O 5.5V 14-Pin TSSOP T/R | In den Warenkorb | |
|
|
TSV994IDT | STMicroelectronics | Operational Amplifiers - Op Amps | Op Amp Quad Low Voltage Amplifier R-R I/O 5.5V 14-Pin SOIC T/R | In den Warenkorb | |
|
|
TSV994IYDT | STMicroelectronics | Operational Amplifiers - Op Amps | Op Amp Quad Low Voltage Amplifier R-R I/O 5.5V Automotive AEC-Q100 14-Pin SOIC T/R | In den Warenkorb | |
|
|
TSV994AIPT | STMicroelectronics | Operational Amplifiers - Op Amps | Op Amp Quad Low Voltage Amplifier R-R I/O 5.5V 14-Pin TSSOP T/R | In den Warenkorb | |
|
|
TSV994AIYPT | STMicroelectronics | Operational Amplifiers - Op Amps | Op Amp Quad Low Voltage Amplifier R-R I/O 5.5V 14-Pin TSSOP T/R Automotive AEC-Q100 | In den Warenkorb | |
|
|
STGIF10CH60TS-L | STMicroelectronics | Intelligent Power Modules - IPMs | IPM IGBT 600V 15A 26-Pin SDIP2F Tube | In den Warenkorb | |