STEVAL-MKI125V1, A3G4250D Adapter Board for a Standard DIL24 Socket

Referenzdesign unter Verwendung des Teils A3G4250D von STMicroelectronics

Hersteller

STMicroelectronics
  • Anwendungskategorie
    Schnittstelle
  • Produkttyp
    Adapterkarte

Für Endprodukte

  • Body Controller Module
  • Door Module
  • Emergency Calls
  • Front Lighting
  • Hotel Door Lock
  • Infotainment System
  • Seat Control
  • Secure Connectivity Module
  • Smart Antenna System
  • Telematics
  • Tractor Body
  • Trunk Control
  • Vehicle-to-Everything (V2X)

Beschreibung

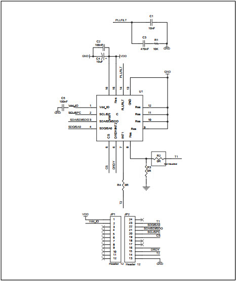
  • STEVAL-MKI125V1, Adapter Board designed to facilitate the evaluation of MEMS devices in the A3G4250D product family. The board offers an effective solution for fast system prototyping and device evaluation directly within the user's own application. The STEVAL-MKI125V1 can be plugged into a standard DIL 24 socket. The adapter provides the complete A3G4250D pinout and comes ready-to use with the required decoupling capacitors on the VDD power supply line. This adapter is supported by the STEVALMKI109V2 motherboard which includes a high performance 32-bit microcontroller functioning as a bridge between the sensor and a PC, on which it is possible to use the downloadable graphical user interface (Unico GUI), or dedicated software routines for customized applications

Haupteigenschaften

  • Interface Standards
    SPI|I2C

Aktuelles über Elektronikkomponenten­

Wir haben unsere Datenschutzbestimmungen aktualisiert. Bitte nehmen Sie sich einen Moment Zeit, diese Änderungen zu überprüfen. Mit einem Klick auf "Ich stimme zu", stimmen Sie den Datenschutz- und Nutzungsbedingungen von Arrow Electronics zu.

Wir verwenden Cookies, um den Anwendernutzen zu vergrößern und unsere Webseite zu optimieren. Mehr über Cookies und wie man sie abschaltet finden Sie hier. Cookies und tracking Technologien können für Marketingzwecke verwendet werden.
Durch Klicken von „RICHTLINIEN AKZEPTIEREN“ stimmen Sie der Verwendung von Cookies auf Ihrem Endgerät und der Verwendung von tracking Technologien zu. Klicken Sie auf „MEHR INFORMATIONEN“ unten für mehr Informationen und Anleitungen wie man Cookies und tracking Technologien abschaltet. Das Akzeptieren von Cookies und tracking Technologien ist zwar freiwillig, das Blockieren kann aber eine korrekte Ausführung unserer Website verhindern, und bestimmte Werbung könnte für Sie weniger relevant sein.
Ihr Datenschutz ist uns wichtig. Lesen Sie mehr über unsere Datenschutzrichtlinien hier.