STK503, Starter Kit designed to evaluate the AT90USB AVR MCU, supports JTAGICE mkII and AVRISP mkII via AVR Studio
Referenzdesign unter Verwendung des Teils AT90USB1287-16AUR von Microchip Technology
Für Endprodukte
- Computers and Peripherals
- PRIME Data Concentrator
- Smart Energy
Beschreibung
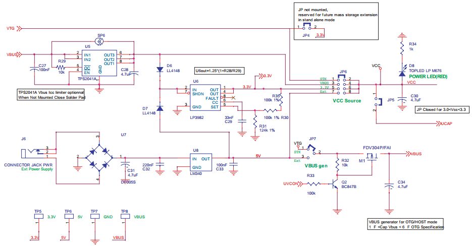
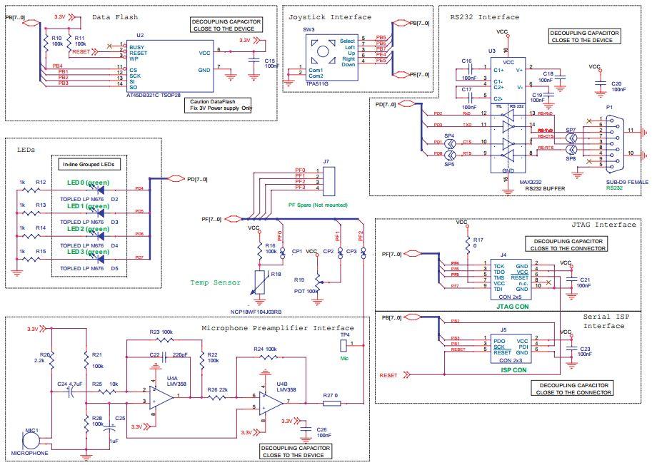
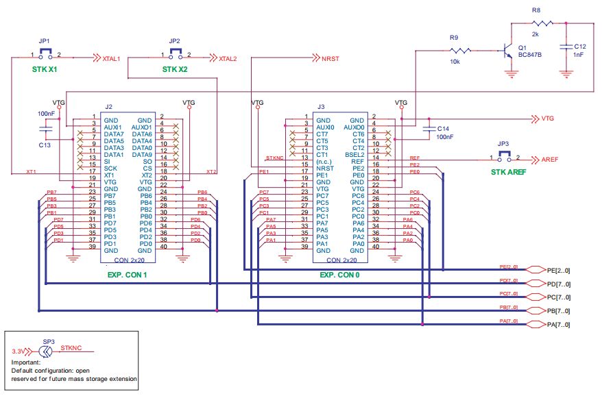
- STK503, Starter Kit is designed to evaluate the AT90USB AVR microcontrollers, it supports JTAGICE mkII and AVRISP mkII via AVR Studio. It includes a number demonstration program with source and hex files. The parts can be directly programmed through the USB port with FLIP In-System Programming utility
Haupteigenschaften
-
Embedded System TypeMCU
-
Family NameAT90
-
Core ProcessorAVR
Empfohlene Bauteile (26)
| Teilenummer | Hersteller | Typ | Beschreibung | |||
|---|---|---|---|---|---|---|
|
|
LMV358MUTAG | onsemi | Operational Amplifiers - Op Amps | Op Amp Dual Low Voltage Amplifier R-R O/P 5V 8-Pin UDFN T/R | In den Warenkorb | |
|
|
LMV358DR2G | onsemi | Operational Amplifiers - Op Amps | Op Amp Dual Low Voltage Amplifier R-R O/P 5V 8-Pin SOIC N T/R | In den Warenkorb | |
|
|
TPS2041AD | Texas Instruments | USB Power Switches | USB Power Switch Single 5.5V 0.9A 8-Pin SOIC Tube | In den Warenkorb | |
|
|
LP3982ILDX-3.3/NOPB | Texas Instruments | Linear Regulators | LDO Regulator Pos 3.3V 0.3A 8-Pin WSON EP T/R | In den Warenkorb | |
|
|
TPS2041ADG4 | Texas Instruments | USB Power Switches | USB Power Switch Single 5.5V 0.9A 8-Pin SOIC Tube | In den Warenkorb | |
|
|
LP3982ILD-1.8/NOPB | Texas Instruments | Linear Regulators | LDO Regulator Pos 1.8V 0.3A 8-Pin WSON EP T/R | In den Warenkorb | |
|
|
LP3982ILD-3.0/NOPB | Texas Instruments | Linear Regulators | LDO Regulator Pos 3V 0.3A 8-Pin WSON EP T/R | In den Warenkorb | |
|
|
LP3982ILD-3.3/N-857863101 | Texas Instruments | Linear Regulators | LDO Regulator Pos 3.3V 0.3A 8-Pin WSON EP T/R | In den Warenkorb | |
|
|
MAX3232ECAE+ | Analog Devices | Bus Line Transceivers | Dual Transmitter/Receiver RS-232 16-Pin SSOP Tube | In den Warenkorb | |
|
|
LMV358DMR2G | onsemi | Operational Amplifiers - Op Amps | Op Amp Dual Low Voltage Amplifier R-R O/P 5V 8-Pin Micro T/R | In den Warenkorb | |
|
|
LP3982ILD-3.3/NOPB | Texas Instruments | Linear Regulators | LDO Regulator Pos 3.3V 0.3A 8-Pin WSON EP T/R | In den Warenkorb | |
|
|
LP3982ILDX-3.3/NOPB | Texas Instruments | Linear Regulators | LDO Regulator Pos 3.3V 0.3A 8-Pin WSON EP T/R | In den Warenkorb | |