STM32303E-EVAL, Evaluation board for STM32F301/302/303 lines - with STM32F303VE MCU
Referenzdesign unter Verwendung des Teils STM32F303VCT6 von STMicroelectronics
Zugehörige Dokumente
Für Endprodukte
- Alarm System
- Gaming Device
- GPS
- HVAC
- Industrial Inverter
- Industrial Programmable Logic Controllers (PLCs)
- Intercom
- Medical and Healthcare
- Motor Control
- Printers
- Scanners
Beschreibung
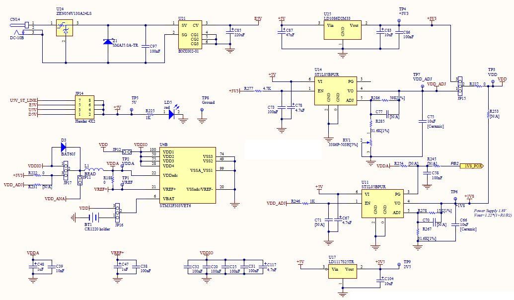
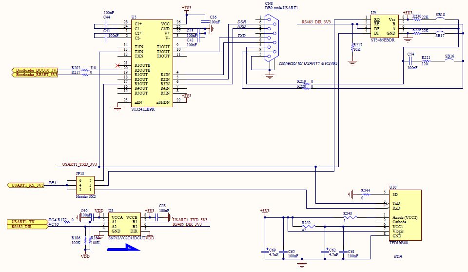
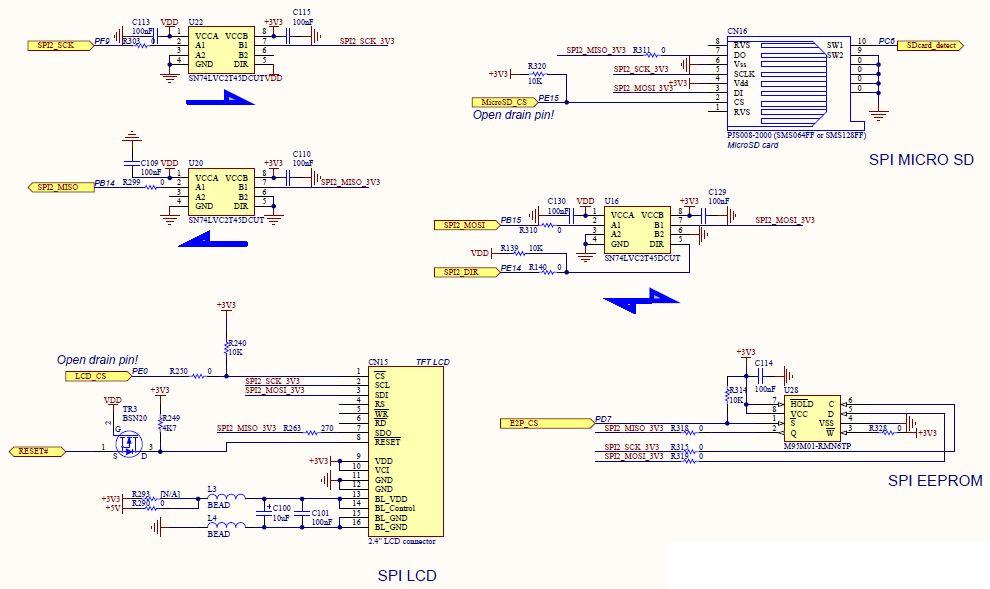
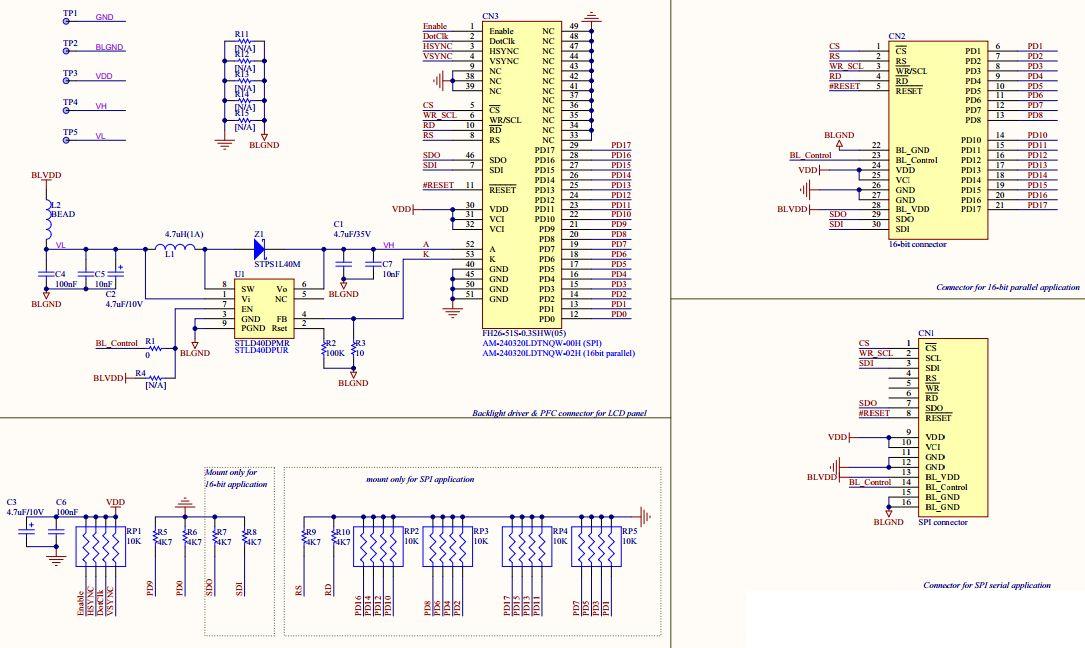
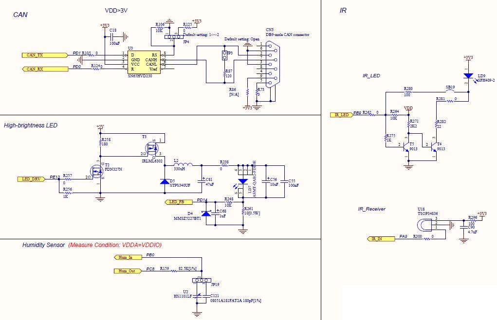
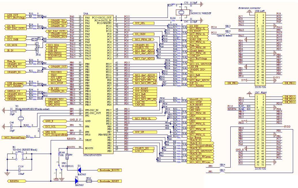
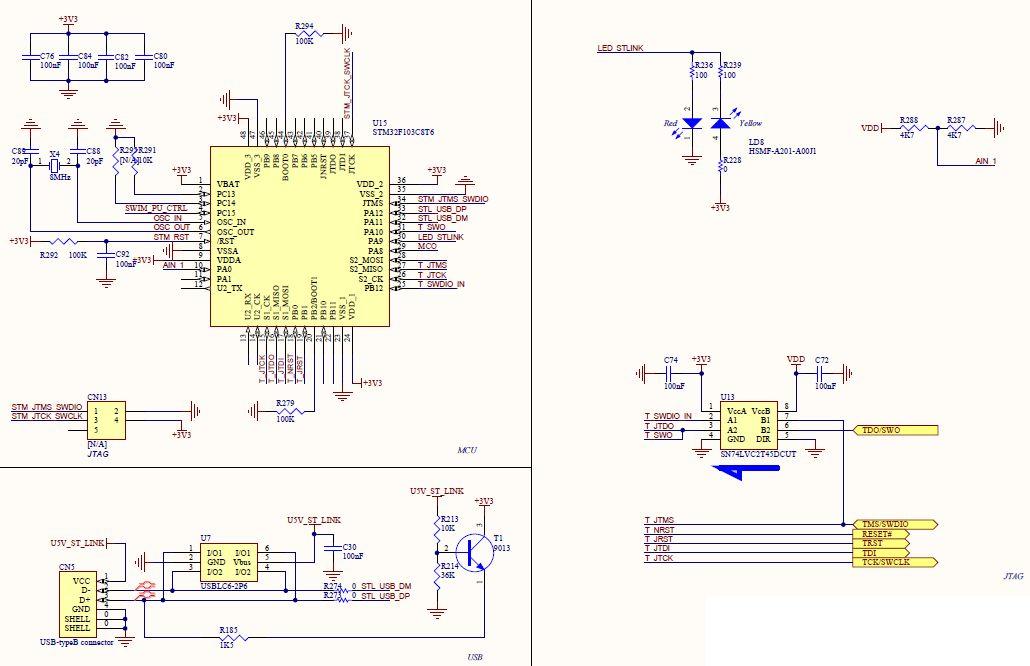
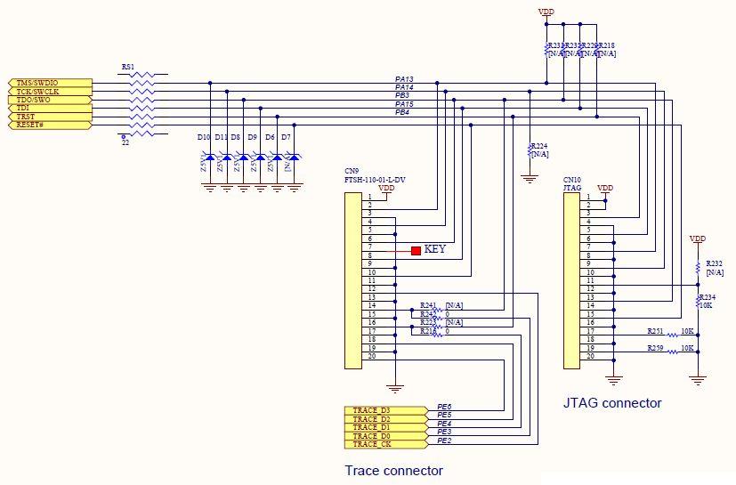
- STM32303E-EVAL, Evaluation Board has been designed as a complete demonstration and development platform for the ARM cortex-M4 core-based STM32F303VET6 microcontroller. It features two I2Cs, three SPIs, five USARTs, one CAN, four 12-bit ADCs, two 12-bit DACs, internal 64 Kbyte Data SRAM, 16 Kbyte Program SRAM and 512 Kbyte Flash, touch sensing, USB FS, JTAG debugging support. This evaluation board can be used as the reference design for user application development but it is not considered as a final application
Haupteigenschaften
-
Embedded System TypeMCU
-
Family NameSTM32
-
Core ProcessorARM Cortex-M4
Empfohlene Bauteile (17)
| Teilenummer | Hersteller | Typ | Beschreibung | |||
|---|---|---|---|---|---|---|
|
|
SN65HVD230QDR | Texas Instruments | Controller Area Network - CAN Transceivers | CAN 1Mbps Standby 3.3V 8-Pin SOIC T/R | In den Warenkorb | |
|
|
STM32F103C8T6 | STMicroelectronics | Microcontrollers - MCUs | MCU 32-bit ARM Cortex M3 RISC 64KB Flash 2.5V/3.3V 48-Pin LQFP Tray | In den Warenkorb | |
|
|
TSOP34836 | Vishay | IR Remote Receivers | IR Remote Receiver 36kHz 90° 39m 3-Pin Tube | In den Warenkorb | |
|
|
SN74LVC2T45DCUR | Texas Instruments | Level Translators | Voltage Level Translator 2-CH Bidirectional 8-Pin VSSOP T/R | In den Warenkorb | |
|
|
SN65HVD230DR-906303111 | Texas Instruments | Controller Area Network - CAN Transceivers | CAN 1Mbps Standby 3.3V 8-Pin SOIC T/R | In den Warenkorb | |
|
|
ST3485EBDR | STMicroelectronics | Bus Line Transceivers | Single Transmitter/Receiver RS-422/RS-485 8-Pin SO N T/R | In den Warenkorb | |
|
|
ST3241EBPR | STMicroelectronics | Bus Line Transceivers | Triple Transmitter Quint Receiver RS-232 28-Pin SSOP T/R | In den Warenkorb | |
|
|
ST1L05BPUR | STMicroelectronics | Linear Regulators | LDO Regulator Pos 1.22V to 5.5V 1.3A 6-Pin DFN T/R | In den Warenkorb | |
|
|
SN65HVD230QDRG4Q1 | Texas Instruments | Controller Area Network - CAN Transceivers | CAN 1Mbps Standby 3.3V Automotive AEC-Q100 8-Pin SOIC T/R | In den Warenkorb | |
|
|
M95M01-RMN6TP | STMicroelectronics | EEPROM | EEPROM Serial-SPI 1M-bit 128K x 8 2.5V/3.3V/5V 8-Pin SO N T/R | In den Warenkorb | |
|
|
LD1117S25TR | STMicroelectronics | Linear Regulators | LDO Regulator Pos 2.5V 1.3A 4-Pin(3+Tab) SOT-223 T/R | In den Warenkorb | |
|
|
HS1101LF | TE Connectivity | Temperature and Humidity Sensors | Humidity Sensor Analog 2-Pin | In den Warenkorb | |