STM32L073Z-EVAL, Evaluation Board based on the STM32L073VZ STM32 MCU
Referenzdesign unter Verwendung des Teils STM32L073VZT6 von STMicroelectronics
Zugehörige Dokumente
Für Endprodukte
- Alarm System
- Fitness Equipment
- Gaming Device
- Gas and Water Meter
- GPS
- Health System
- Industrial Sensor
- Intercom
- PC Peripherals
- Remote Control
- Wireless Sensor
Beschreibung
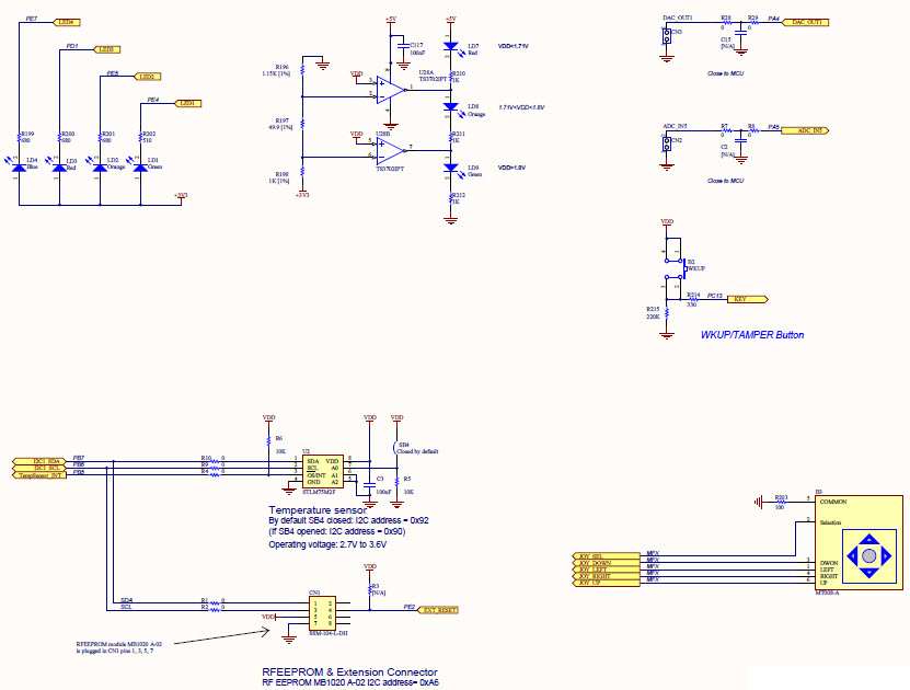
- STM32L073Z-EVAL, Evaluation Board has been designed as a complete demonstration and development platform for the ARM cortex-M4 core-based STM32L073VZT6 microcontroller with three I2Cs, two SPIs, four USARTs, one UART, one 12-bit ADC, two 12-bit DACs, LCD driver, up to 192KB Flash memory, 20KB RAM, 6KB EEPROM, touch sensing, USB FS, LCD controller, SWD debugging support. The full range of hardware features on the board can be used to evaluate all peripherals (USB FS, RS-232, USART, 12-bit ADC and DAC, color LCD-TFT, LCD glass, Low-power UART, IrDA, MicroSD card, touch sensing slider, pressure measurement, temperature measurement, LC sensor metering) and develop user's applications
Haupteigenschaften
-
Embedded System TypeMCU
-
Family NameSTM32
-
Core ProcessorARM Cortex-M4
Empfohlene Bauteile (23)
| Teilenummer | Hersteller | Typ | Beschreibung | |||
|---|---|---|---|---|---|---|
|
|
MPXM2102AS | NXP Semiconductors | Board Mount Pressure Sensors | Board Mount Pressure Sensor 0V to 0.04V 20kPa to 100kPa Absolute 5-Pin(4+Tab) M-PAC Tube | In den Warenkorb | |
|
|
TSV911ILT | STMicroelectronics | Operational Amplifiers - Op Amps | Op Amp Single GP R-R I/O 5.5V 5-Pin SOT-23 T/R | In den Warenkorb | |
| NX3215SA-32.768K-EXS00A-MU00003 | NIHON DEMPA KOGYO CO., LTD | Crystals | Crystal 0.032768MHz ±20ppm (Tol) 12.5pF FUND 90000Ohm 2-Pin SMD T/R | In den Warenkorb | ||
|
|
09.03290.01 | EOZ S.A.S | Switch Slide | Switch Slide ON ON SPDT Top Slide 0.5A 24VAC 24VDC 6VA 10000Cycles PC Pins Thru-Hole | In den Warenkorb | |
|
|
ST890CDR | STMicroelectronics | Current Limit Switches | Power Switch Hi Side 1-OUT 1.2A 90mOhm 8-Pin SO N T/R | In den Warenkorb | |
|
|
TSV631ILT | STMicroelectronics | Operational Amplifiers - Op Amps | Op Amp Single Low Voltage Amplifier R-R I/O 5.5V 5-Pin SOT-23 T/R | In den Warenkorb | |
|
|
NX3215SA-32.768K-STD-MUA-14 | NIHON DEMPA KOGYO CO., LTD | Crystals | Crystal 0.032768MHz ±20ppm (Tol) 6pF FUND 70000Ohm Automotive AEC-Q200 2-Pin SMD | In den Warenkorb | |
|
|
STLM75M2F | STMicroelectronics | Temperature and Humidity Sensors | Temp Sensor Digital Serial (2-Wire, I2C, SMBus) 8-Pin SO N T/R | In den Warenkorb | |
|
|
NX3215SA32.768KSTDMUS2 | NIHON DEMPA KOGYO CO., LTD | Crystals | Crystal 0.032768MHz ±20ppm (Tol) 12.5pF FUND 80000Ohm Automotive AEC-Q200 2-Pin SMD | In den Warenkorb | |
|
|
NX3215SA_32.768KHZ_STD-MUA-14 | NIHON DEMPA KOGYO CO., LTD | Crystals | Crystal 0.032768MHz ±20ppm (Tol) 6pF FUND 70000Ohm Automotive AEC-Q200 2-Pin SMD | In den Warenkorb | |
|
|
TS3702IPT | STMicroelectronics | Linear Comparators | Comparator Dual ±8V/16V 8-Pin TSSOP T/R | In den Warenkorb | |
|
|
STM32F103CBT6 | STMicroelectronics | Microcontrollers - MCUs | MCU 32-bit ARM Cortex M3 RISC 128KB Flash 2.5V/3.3V 48-Pin LQFP Tray | In den Warenkorb | |