STM8A-DISCOVERY, Discovery kit for STM8A Automotive series - with STM8AF5288 and STM8AL3L68 Microcontrollers
Referenzdesign unter Verwendung des Teils STM8AF5288TAY von STMicroelectronics
Zugehörige Dokumente
Für Endprodukte
- Automotive and Transportation
- Industrial
Beschreibung
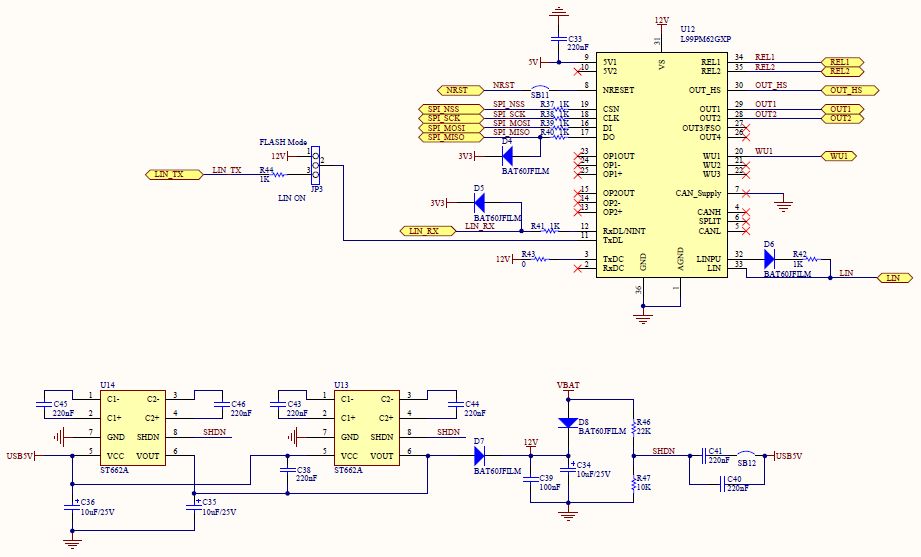
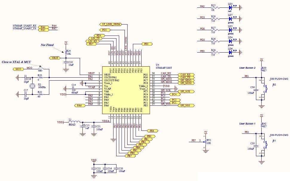
- STM8A-DISCOVERY, Discovery kit helps you discover the STM8AF and STM8AL automotive microcontrollers family features and develop your applications through two dedicated application boards that can be connected together via a LIN network. The STM8AF board can perform both CAN and LIN communications with the MCU powered at 5V and is ready to be connected into a network with its integrated transceiver. The STM8AL board manages LIN slave communication through its transceiver and uses a 4-digit alphanumeric LCD display with the MCU powered at 3.3V, offering low energy power modes
Haupteigenschaften
-
Embedded System TypeMCU
-
Family NameSTM8A
-
Core ProcessorSTM8
-
PlatformDiscovery Kit
Empfohlene Bauteile (8)
| Teilenummer | Hersteller | Typ | Beschreibung | |||
|---|---|---|---|---|---|---|
|
|
STM8AL3L68TCY | STMicroelectronics | Microcontrollers - MCUs | MCU 8-bit STM8 CISC 32KB Flash 1.8V/2.5V/3.3V Automotive AEC-Q100 48-Pin LQFP Tray | In den Warenkorb | |
|
|
L99PM62GXPTR | STMicroelectronics | PMIC Solutions | Door Zone and Body Control Modules 5.5V to 18V Automotive AEC-Q100 36-Pin PowerSSO EP T/R | In den Warenkorb | |
|
|
MAX9938FEUK+T | Analog Devices | Special Purpose Amplifiers | SP Amp Current Sense Amp Single 28V 5-Pin SOT-23 T/R | In den Warenkorb | |
|
|
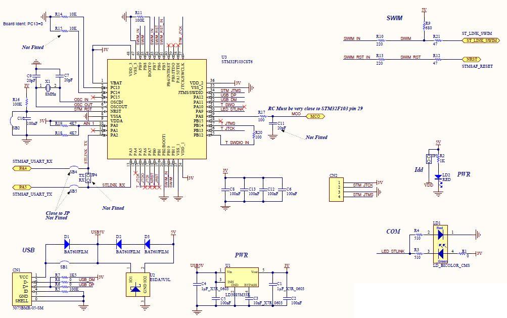
STM32F103C8T6 | STMicroelectronics | Microcontrollers - MCUs | MCU 32-bit ARM Cortex M3 RISC 64KB Flash 2.5V/3.3V 48-Pin LQFP Tray | In den Warenkorb | |
|
|
MAX9938FEUK+T | Analog Devices | Special Purpose Amplifiers | SP Amp Current Sense Amp Single 28V 5-Pin SOT-23 T/R | In den Warenkorb | |
|
|
L99PM62GXP | STMicroelectronics | PMIC Solutions | Door Zone and Body Control Modules 5.5V to 18V Automotive AEC-Q100 36-Pin PowerSSO EP Tube | In den Warenkorb | |
|
|
LD3985M33R | STMicroelectronics | Linear Regulators | LDO Regulator Pos 3.3V 0.55A 5-Pin SOT-23 T/R | In den Warenkorb | |
|
|
STM8AF5288TAY | STMicroelectronics | Microcontrollers - MCUs | MCU 8-bit STM8A CISC 64KB Flash 3.3V/5V Automotive AEC-Q100 48-Pin LQFP Tray | In den Warenkorb | |