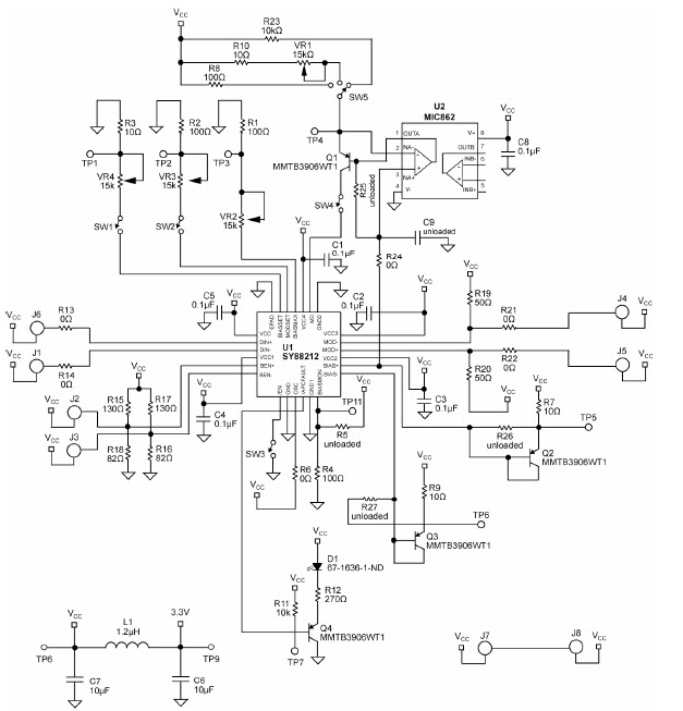
SY88212L EV, SY88212L evaluation board allows for checking the performance of the SY88212

Referenzdesign unter Verwendung des Teils SY88212L von Microchip Technology

Hersteller

Microchip Technology
  • Anwendungskategorie
    Optische
  • Produkttyp
    Laser-Treiber

Für Endprodukte

  • Optical Networking
  • SONET

Beschreibung

  • SY88212L EV, SY88212L evaluation board allows for checking the performance of the SY88212. The SY88212L electrical evaluation board allows for evaluating the performance of the SY88212 laser diode driver while driving passive load

Aktuelles über Elektronikkomponenten­

Wir haben unsere Datenschutzbestimmungen aktualisiert. Bitte nehmen Sie sich einen Moment Zeit, diese Änderungen zu überprüfen. Mit einem Klick auf "Ich stimme zu", stimmen Sie den Datenschutz- und Nutzungsbedingungen von Arrow Electronics zu.

Wir verwenden Cookies, um den Anwendernutzen zu vergrößern und unsere Webseite zu optimieren. Mehr über Cookies und wie man sie abschaltet finden Sie hier. Cookies und tracking Technologien können für Marketingzwecke verwendet werden.
Durch Klicken von „RICHTLINIEN AKZEPTIEREN“ stimmen Sie der Verwendung von Cookies auf Ihrem Endgerät und der Verwendung von tracking Technologien zu. Klicken Sie auf „MEHR INFORMATIONEN“ unten für mehr Informationen und Anleitungen wie man Cookies und tracking Technologien abschaltet. Das Akzeptieren von Cookies und tracking Technologien ist zwar freiwillig, das Blockieren kann aber eine korrekte Ausführung unserer Website verhindern, und bestimmte Werbung könnte für Sie weniger relevant sein.
Ihr Datenschutz ist uns wichtig. Lesen Sie mehr über unsere Datenschutzrichtlinien hier.