TIDA-00091, Class 4 - Wide Input Range 15W Power over Ethernet (PoE) Converter
Referenzdesign unter Verwendung des Teils TPS23756PWP von Texas Instruments
Beschreibung
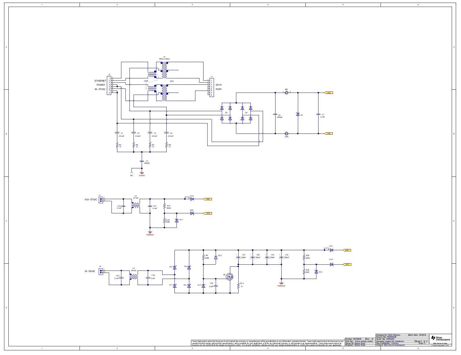
- TIDA-00091, Class 4 - Wide Input Range 15W Power over Ethernet (PoE) Converter. The Class 4 - Wide Input Range, 15W Power over Ethernet (PoE) Converter reference design is intended as an evaluation module for users to develop end-products for IP security camera applications. This reference design has been optimized for its wide input voltage range, delivering an output power of 12-V at 1.25-A (15-W) from either an adapter input (10.8 to 57-VDC or 18 to 32-VAC) or power over Ethernet. The wide input voltage range makes this design compatible with legacy applications where 12- or 24-VDC or 24-VAC auxiliary power is used
Empfohlene Bauteile (14)
| Teilenummer | Hersteller | Typ | Beschreibung | |||
|---|---|---|---|---|---|---|
|
|
TCMT1100 | Vishay | Transistor and Photovoltaic Output Photocouplers | Optocoupler DC-IN 1-CH Transistor DC-OUT 4-Pin SSOP T/R | In den Warenkorb | |
|
|
TCMT1103 | Vishay | Transistor and Photovoltaic Output Photocouplers | Optocoupler DC-IN 1-CH Transistor DC-OUT 4-Pin SSOP T/R | In den Warenkorb | |
|
|
TCMT1105 | Vishay | Transistor and Photovoltaic Output Photocouplers | Optocoupler DC-IN 1-CH Transistor DC-OUT 4-Pin SSOP T/R | In den Warenkorb | |
|
|
TCMT1108 | Vishay | Transistor and Photovoltaic Output Photocouplers | Optocoupler DC-IN 1-CH Transistor DC-OUT 4-Pin SSOP T/R | In den Warenkorb | |
|
|
TL431ACDBVR | Texas Instruments | Voltage References | V-Ref Adjustable 2.495V to 36V 100mA 5-Pin SOT-23 T/R | In den Warenkorb | |
|
|
TCMT1107T3 | Vishay | Transistor and Photovoltaic Output Photocouplers | Optocoupler DC-IN 1-CH Transistor DC-OUT 4-Pin SSOP T/R | In den Warenkorb | |
|
|
TCMT1102 | Vishay | Transistor and Photovoltaic Output Photocouplers | Optocoupler DC-IN 1-CH Transistor DC-OUT 4-Pin SSOP T/R | In den Warenkorb | |
|
|
TCMT1104 | Vishay | Transistor and Photovoltaic Output Photocouplers | Optocoupler DC-IN 1-CH Transistor DC-OUT 4-Pin SSOP T/R | In den Warenkorb | |
|
|
TCMT1106 | Vishay | Transistor and Photovoltaic Output Photocouplers | Optocoupler DC-IN 1-CH Transistor DC-OUT 4-Pin SSOP T/R | In den Warenkorb | |
|
|
TCMT1109 | Vishay | Transistor and Photovoltaic Output Photocouplers | Optocoupler DC-IN 1-CH Transistor DC-OUT 4-Pin SSOP T/R | In den Warenkorb | |
|
|
TCMT1101 | Vishay | Transistor and Photovoltaic Output Photocouplers | Optocoupler DC-IN 1-CH Transistor DC-OUT 4-Pin SSOP T/R | In den Warenkorb | |
|
|
TCMT1107 | Vishay | Transistor and Photovoltaic Output Photocouplers | Optocoupler DC-IN 1-CH Transistor DC-OUT 4-Pin SSOP T/R | In den Warenkorb | |