TIDA-00092, Optimizing LMH6554 to Drive High Speed ADCs
Referenzdesign unter Verwendung des Teils ADS4449IZCR von Texas Instruments
Zugehörige Dokumente
Für Endprodukte
- Active Antenna
- Cell Basestation
- Test Equipment
Beschreibung
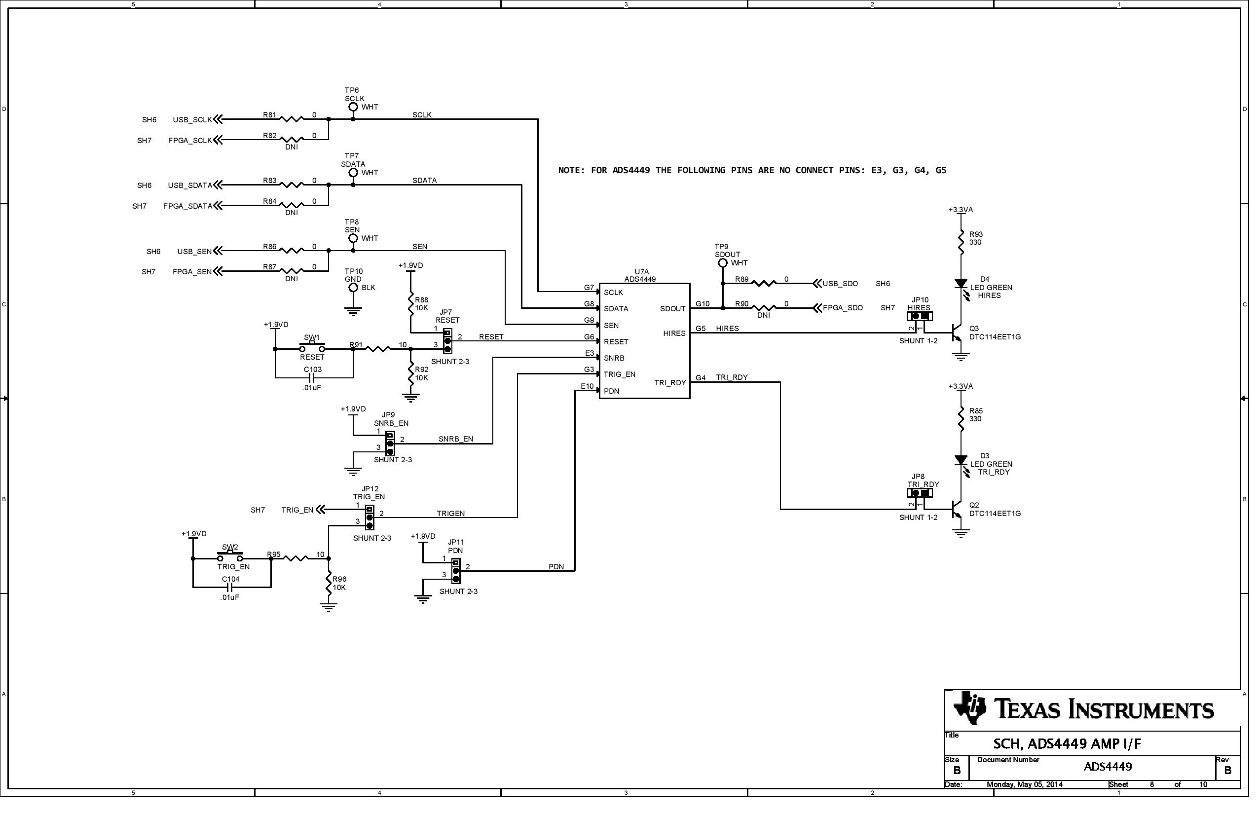
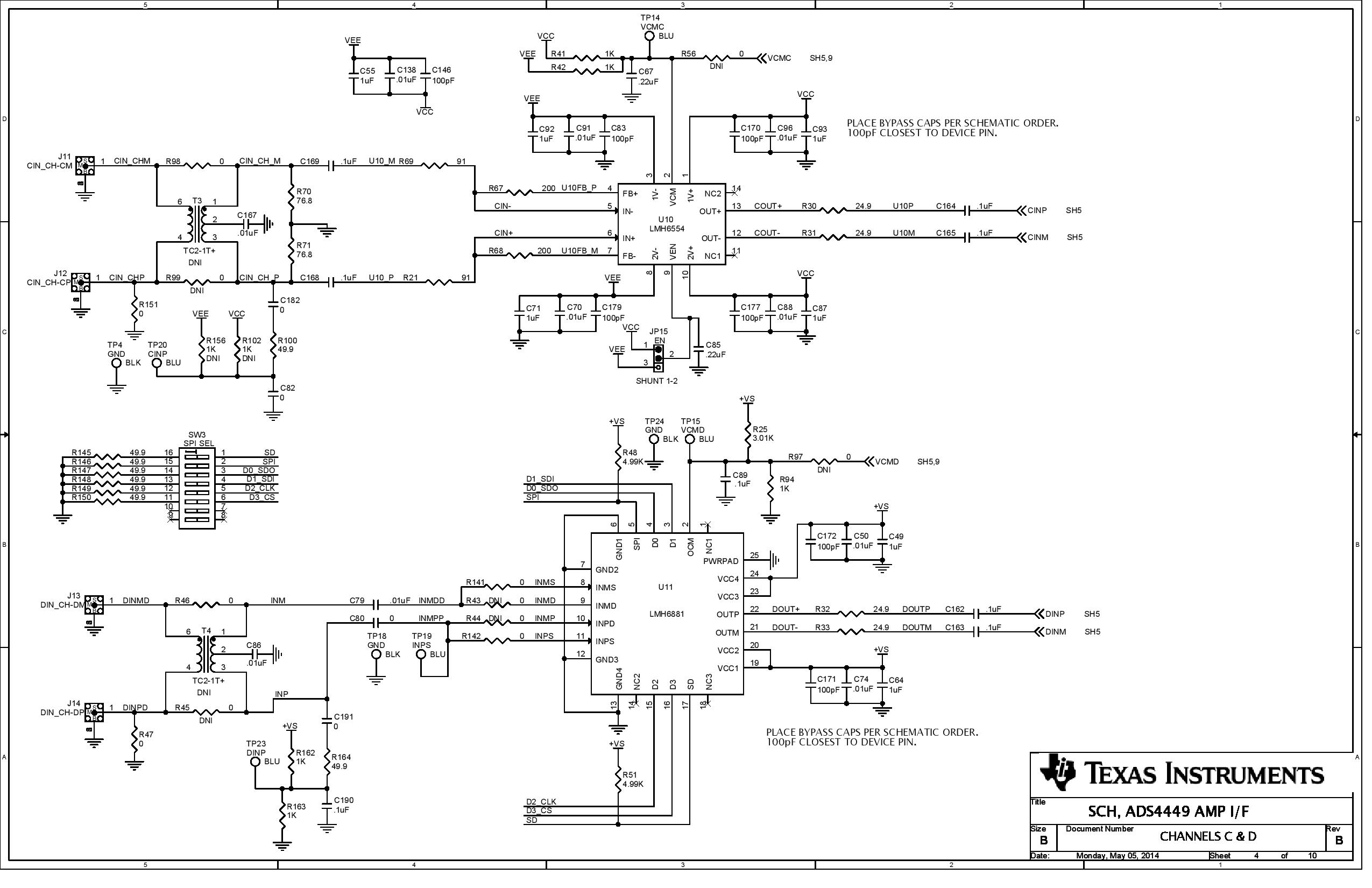
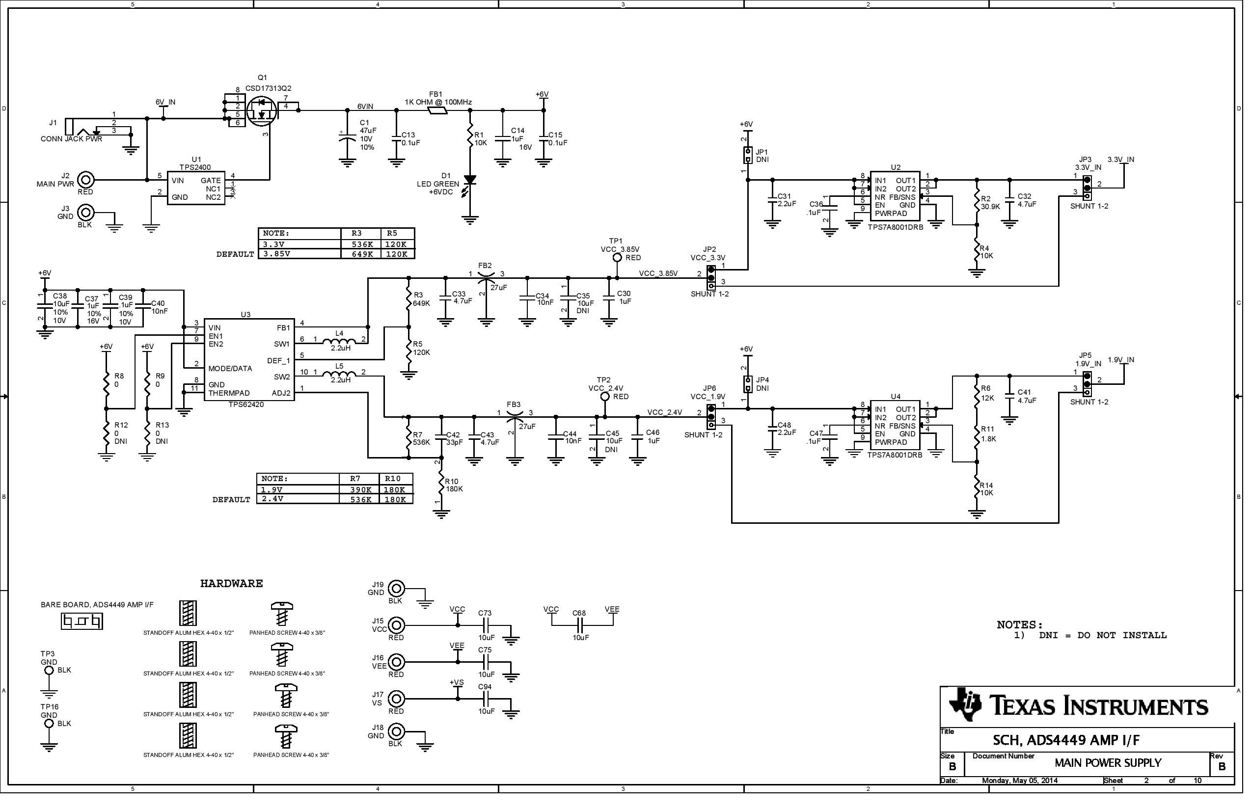
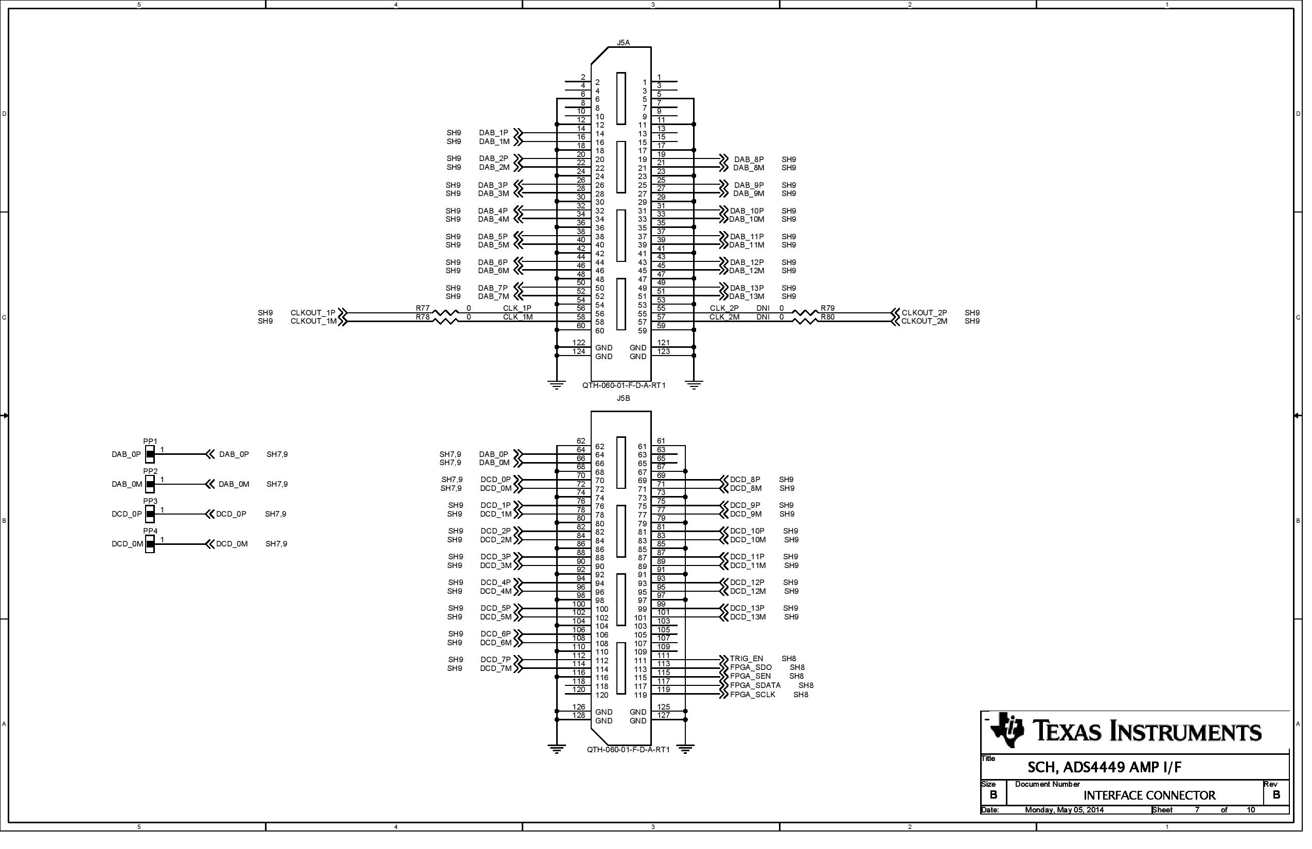
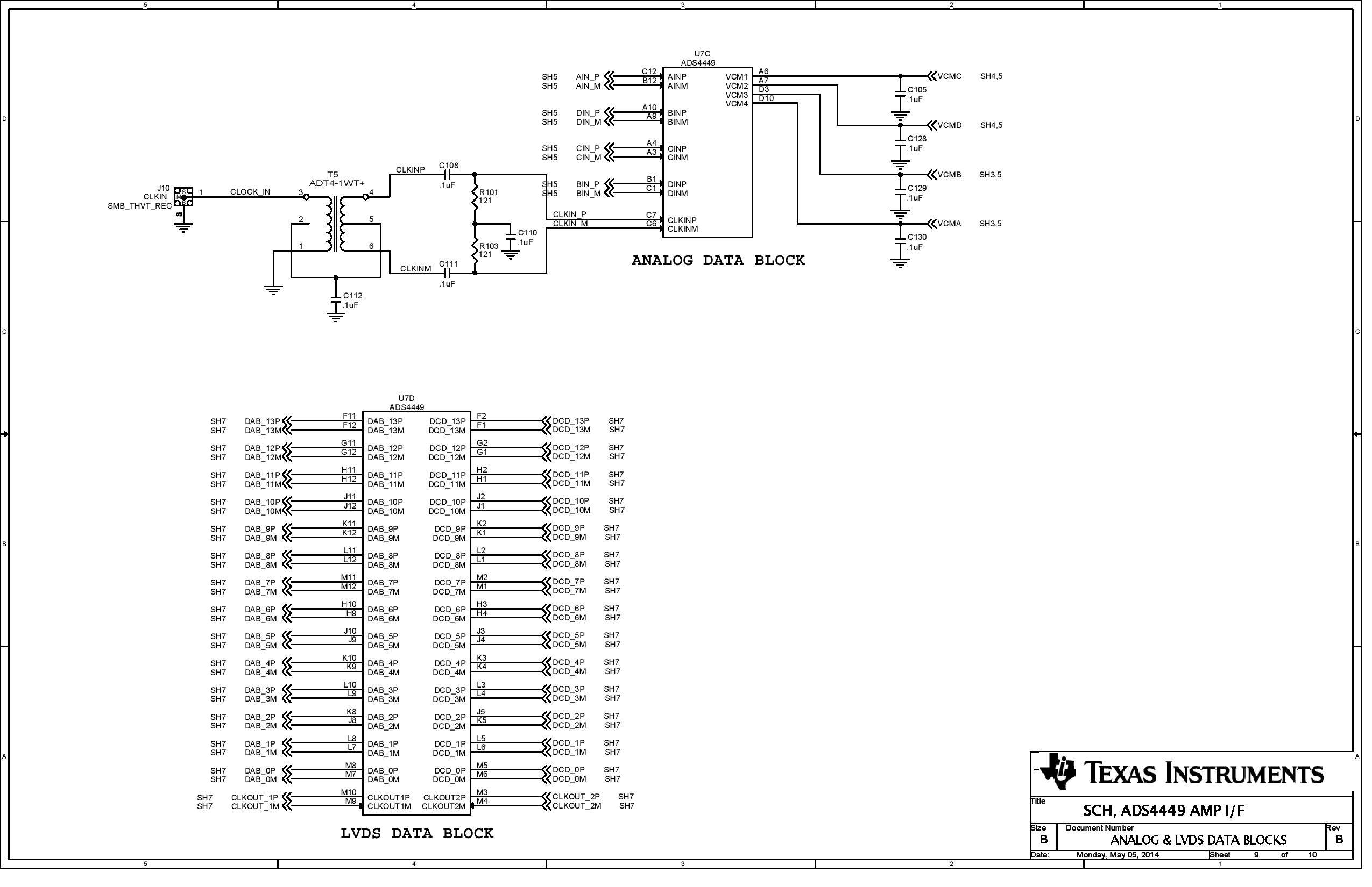
- TIDA-00092, Optimizing LMH6554 to Drive High Speed ADCs. This reference design shows the ability of the high-speed amplifier, LMH6554, to perform single-ended to differential conversion to drive high-speed analog-to-digital converters (ADCs) while maintaining excellent noise and distortion performance. Performance versus input frequency is shown for both AC and DC coupled applications while interfaced to the ADS4449 quad, 250-MSPS, 14-bit ADC. Various options for common-mode voltages, power supplies, and interfaces are discussed and measured to meet the requirements of a variety of applications
Haupteigenschaften
-
ADC Resolution14 Bit
-
ADC Sampling Rate250M SPS
-
Number of Channels4CH
Empfohlene Bauteile (24)
| Teilenummer | Hersteller | Typ | Beschreibung | |||
|---|---|---|---|---|---|---|
|
|
TPS62420DRCR | Texas Instruments | DC to DC Converter and Switching Regulator Chip | Conv DC-DC 2.5V to 6V Synchronous Step Down Dual-Out 0.6V to 6V 0.6A/1A 10-Pin VSON EP T/R | In den Warenkorb | |
|
|
TPS2400DBVR | Texas Instruments | Hot Swap Controllers | Hot Swap Controller 1-CH 6.8V N-Channel Positive Voltage 5-Pin SOT-23 T/R | In den Warenkorb | |
|
|
THS4509RGTR | Texas Instruments | Special Purpose Amplifiers | SP Amp DIFF AMP Single ±2.625V/5.25V 16-Pin VQFN EP T/R | In den Warenkorb | |
|
|
LMH6554LE/NOPB | Texas Instruments | Special Purpose Amplifiers | SP Amp DIFF AMP Single ±2.625V/5.25V 14-Pin UQFN T/R | In den Warenkorb | |
|
|
TPS7A8001DRBR | Texas Instruments | Linear Regulators | LDO Regulator Pos 0.8V to 6V 1A 8-Pin VSON EP T/R | In den Warenkorb | |
|
|
TPS7A8001DRBT | Texas Instruments | Linear Regulators | LDO Regulator Pos 0.8V to 6V 1A 8-Pin VSON EP T/R | In den Warenkorb | |
|
|
LMH6554LEE/NOPB | Texas Instruments | Special Purpose Amplifiers | SP Amp DIFF AMP Single ±2.625V/5.25V 14-Pin UQFN T/R | In den Warenkorb | |
|
|
TPS2400DBVTG4 | Texas Instruments | Hot Swap Controllers | Hot Swap Controller 1-CH 6.8V N-Channel Positive Voltage 5-Pin SOT-23 T/R | In den Warenkorb | |
|
|
LP2985-50DBVR | Texas Instruments | Linear Regulators | LDO Regulator Pos 5V 0.15A 5-Pin SOT-23 T/R | In den Warenkorb | |
|
|
LMH6554LE/NOPB | Texas Instruments | Special Purpose Amplifiers | SP Amp DIFF AMP Single ±2.625V/5.25V 14-Pin UQFN T/R | In den Warenkorb | |
|
|
LMH6554LEE/NOPB | Texas Instruments | Special Purpose Amplifiers | SP Amp DIFF AMP Single ±2.625V/5.25V 14-Pin UQFN T/R | In den Warenkorb | |
|
|
LMH6881SQE/NOPB | Texas Instruments | Special Purpose Amplifiers | SP Amp DIFF AMP Single 5.25V 24-Pin WQFN EP T/R | In den Warenkorb | |