TIDA-00095, TD Temperature Transmitter Reference Design for 2-wire, 4 to 20-mA Current Loop Systems
Referenzdesign unter Verwendung des Teils TPS7A4901DGN von Texas Instruments
Für Endprodukte
- Building Automation
- Factory Automation
- Portable Instrumentation
- Process Control
- Sensor and Transducer
Beschreibung
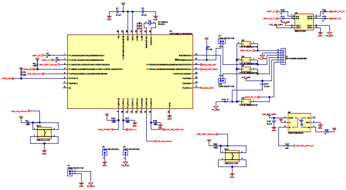
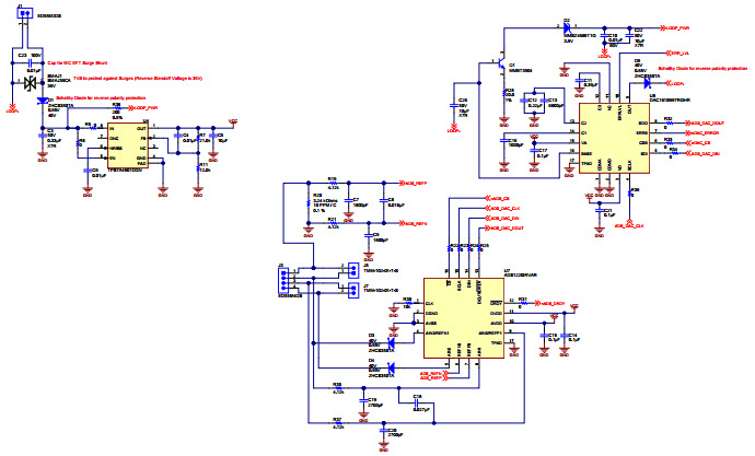
- TIDA-00095, TD Temperature Transmitter Reference Design for 2-wire, 4 to 20-mA Current Loop Systems. This comprehensive design provides a complete system that measures and processes temperature signals inputs from 2-wire, 3-wire and 4-wire resistance temperature detectors (RTDs) and outputs a 4 to 20-mA current-loop signal corresponding to the temperature processed from the RTD inputs. It is intended as a reference design for process measurement applications in factory automation, field transmitters and building automation. It also addresses system level calibration - both offset and gain that can be implemented to improve ADC and DAC accuracy as well as also includes linear interpolation to address the non-linearity of the RTD element
Haupteigenschaften
-
ADC Resolution24 Bit
-
DAC Resolution16 Bit
Empfohlene Bauteile (11)
| Teilenummer | Hersteller | Typ | Beschreibung | |||
|---|---|---|---|---|---|---|
|
|
KSC222J LFS | C&K | Switch Tactile | Switch Tactile OFF Mom SPST Round Button J-Lead 0.05A 32VDC 1VA 2N SMD T/R | In den Warenkorb | |
|
|
MSP430G2513IRHB32R | Texas Instruments | Microcontrollers - MCUs | MCU 16-bit MSP430 RISC 16KB Flash 2.5V/3.3V 32-Pin VQFN EP T/R | In den Warenkorb | |
|
|
ISO7421ED | Texas Instruments | Digital Isolators | Digital Isolator Logic 2-CH 50Mbps 8-Pin SOIC Tube | In den Warenkorb | |
|
|
TS5A3160DBVR | Texas Instruments | Analog Switch Multiplexers | Analog Switch Single SPDT 6-Pin SOT-23 T/R | In den Warenkorb | |
|
|
NX3215SA32.768KSTDMUS2 | NIHON DEMPA KOGYO CO., LTD | Crystals | Crystal 0.032768MHz ±20ppm (Tol) 12.5pF FUND 80000Ohm Automotive AEC-Q200 2-Pin SMD | In den Warenkorb | |
|
|
KSC222JLFS | C&K | Switch Tactile | Switch Tactile OFF Mom SPST Round Button J-Lead 0.05A 32VDC 1VA 2N SMD T/R | In den Warenkorb | |
|
|
ADS1220IRVAR | Texas Instruments | Analog to Digital Converters - ADCs | 4-Channel Single ADC Delta-Sigma 2ksps 24-bit Serial (5-Wire, 4-Wire, 3-Wire, SPI) 16-Pin VQFN EP T/R | In den Warenkorb | |
|
|
DAC161S997RGHR | Texas Instruments | Digital to Analog Converters - DACs | DAC 1-CH Delta-Sigma 16-bit 16-Pin WQFN EP T/R | In den Warenkorb | |
|
|
TPS7A4901DGNR | Texas Instruments | Linear Regulators | LDO Regulator Pos 1.194V to 33V 0.15A 8-Pin HVSSOP EP T/R | In den Warenkorb | |
|
|
TPS7A4901DGNT | Texas Instruments | Linear Regulators | LDO Regulator Pos 1.194V to 33V 0.15A 8-Pin HVSSOP EP T/R | In den Warenkorb | |
|
|
TPS7A4901DGNR_SAMPLE | Texas Instruments | Linear Regulators | LDO Regulator Pos 1.194V to 33V 0.15A 8-Pin HVSSOP EP T/R | In den Warenkorb | |