TIDA-00182, Reinforced Isolated IGBT Gate Drive Flyback Power Supply with 8 Outputs Reference Design

Referenzdesign unter Verwendung des Teils UCC28701DBVT von Texas Instruments

Hersteller

Texas Instruments
  • Anwendungskategorie
    Spannungsversorgungen
  • Produkttyp
    Mehrfach Gleichspannungs Netzteil

Für Endprodukte

  • AC Motor
  • Motion Motor Control
  • Permanent Magnet Motor

Beschreibung

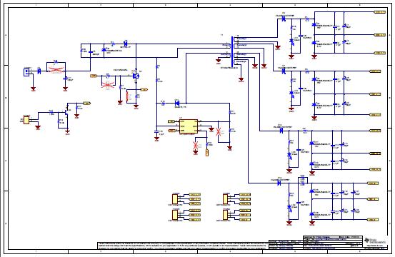
  • TIDA-00182, Reinforced Isolated IGBT Gate Drive Flyback Power Supply with 8 Outputs Reference Design. This reference design provides reinforced isolated positive and negative voltage rails required for Insulated Gate Bipolar Transistor (IGBT) gate drivers from a single 24-volt DC input supply. Utilizing a flyback isolated control topology, this reference design provides isolation compliant to IEC61800-5, and generates power rails for all three arms of the 3-phase inverter from a single transformer. The output power is currently set at 2W/IGBT but can be scaled up for higher power IGBTs by changing the transformer design

Haupteigenschaften

  • Conversion Type
    DC to DC
  • Input Voltage
    24 V
  • Output Power
    2 W
  • Topology
    Flyback

Aktuelles über Elektronikkomponenten­

Wir haben unsere Datenschutzbestimmungen aktualisiert. Bitte nehmen Sie sich einen Moment Zeit, diese Änderungen zu überprüfen. Mit einem Klick auf "Ich stimme zu", stimmen Sie den Datenschutz- und Nutzungsbedingungen von Arrow Electronics zu.

Wir verwenden Cookies, um den Anwendernutzen zu vergrößern und unsere Webseite zu optimieren. Mehr über Cookies und wie man sie abschaltet finden Sie hier. Cookies und tracking Technologien können für Marketingzwecke verwendet werden.
Durch Klicken von „RICHTLINIEN AKZEPTIEREN“ stimmen Sie der Verwendung von Cookies auf Ihrem Endgerät und der Verwendung von tracking Technologien zu. Klicken Sie auf „MEHR INFORMATIONEN“ unten für mehr Informationen und Anleitungen wie man Cookies und tracking Technologien abschaltet. Das Akzeptieren von Cookies und tracking Technologien ist zwar freiwillig, das Blockieren kann aber eine korrekte Ausführung unserer Website verhindern, und bestimmte Werbung könnte für Sie weniger relevant sein.
Ihr Datenschutz ist uns wichtig. Lesen Sie mehr über unsere Datenschutzrichtlinien hier.