TIDA-00359, Clocking Solution Reference Design for GSPS ADCs
Referenzdesign unter Verwendung des Teils ADC12J4000NKE von Texas Instruments
Für Endprodukte
- Military Communication
- Software Defined Radio
- Test and Measurement
- Wireless Communications
Beschreibung
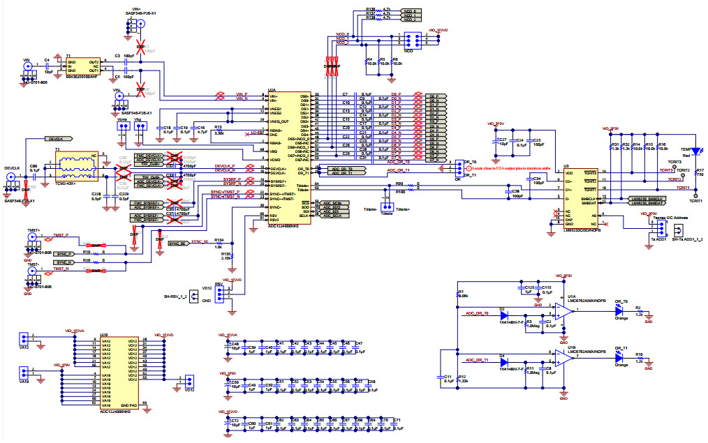
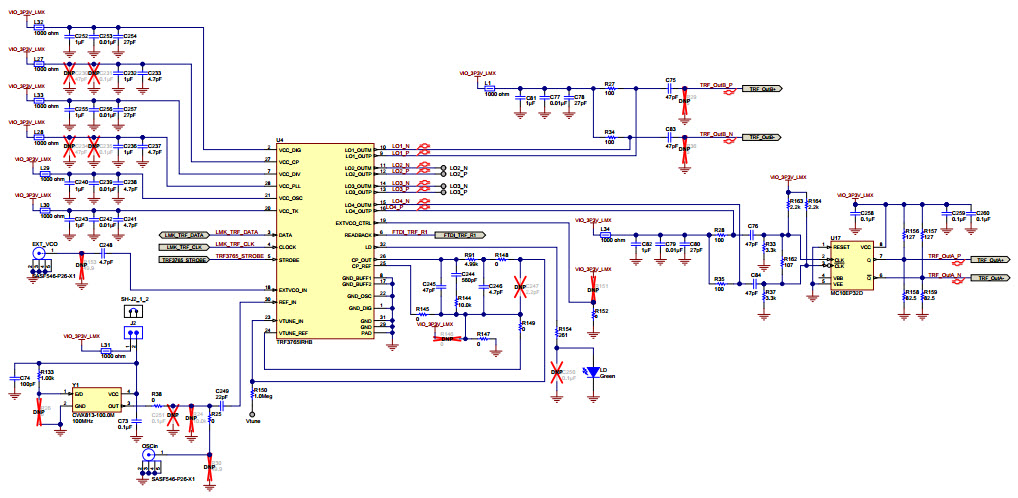
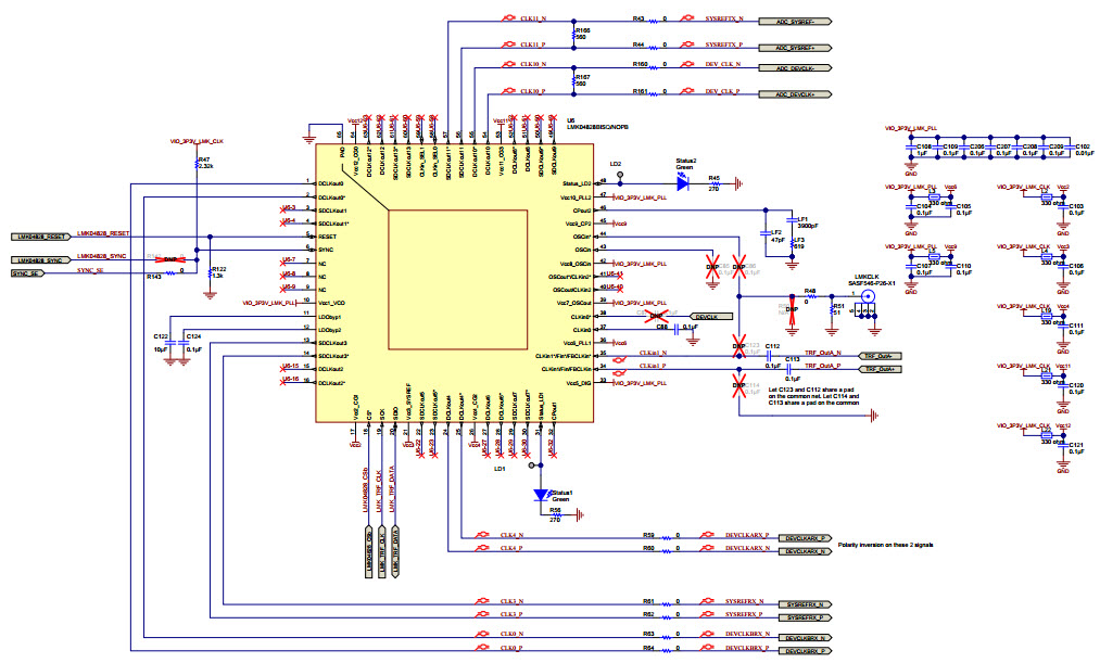
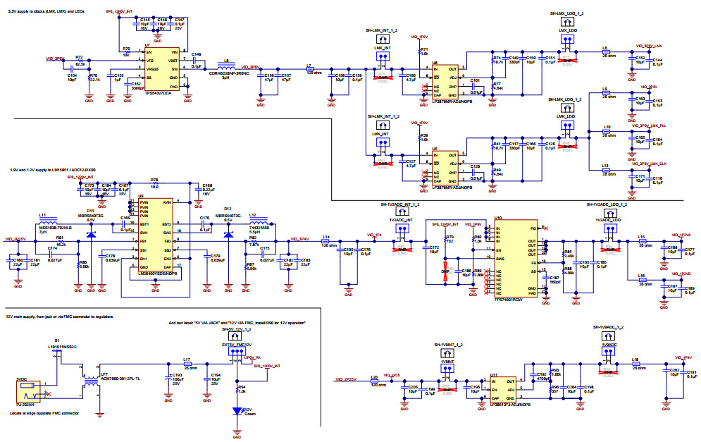
- TIDA-00359, Clocking Solution Reference Design for GSPS ADCs. Low cost, high performance clocking solution for GSPS data converters. This reference design discusses the use of a TRF3765, a low noise frequency synthesizer, generating the sampling clock for a 4 GSPS analog-to-digital converter (ADC12J4000). Experiments demonstrate data sheet comparable SNR and SFDR performance
Haupteigenschaften
-
ADC Resolution12 Bit
-
ADC Sampling Rate4G SPS
-
Number of Channels1CH
Empfohlene Bauteile (24)
| Teilenummer | Hersteller | Typ | Beschreibung | |||
|---|---|---|---|---|---|---|
|
|
L101011MS02Q | C&K | Switch Slide | Switch Slide ON OFF SPST Top Slide 4A 250VAC 125VDC PC Pins Thru-Hole Bulk | In den Warenkorb | |
|
|
LMC6762AIMX/NOPB | Texas Instruments | Linear Comparators | Comparator Dual R-R I/O 15V 8-Pin SOIC T/R | In den Warenkorb | |
|
|
LP38513TJ-ADJ/NOPB | Texas Instruments | Linear Regulators | LDO Regulator Pos 0.5V to 4.5V 3A 5-Pin TO-263 EP T/R | In den Warenkorb | |
|
|
TRF3765IRHBT | Texas Instruments | Clock Generators and Synthesizers | Clock Generator 0.5MHz to 350MHz-IN 4800MHz-OUT 32-Pin VQFN EP T/R | In den Warenkorb | |
|
|
LM26400YSDE/NOPB | Texas Instruments | DC to DC Converter and Switching Regulator Chip | Conv DC-DC 3V to 20V Step Down Dual-Out 0.6V to 16V 2A/2A 16-Pin WSON EP T/R | In den Warenkorb | |
|
|
FT4232HL | Future Technology Devices International Limited | USB Interface ICs | Full Speed/High Speed USB to UART/MPSSE USB 2.0 1.8V/3.3V 64-Pin LQFP | In den Warenkorb | |
|
|
TLV70233DBVR | Texas Instruments | Linear Regulators | LDO Regulator Pos 3.3V 0.3A 5-Pin SOT-23 T/R | In den Warenkorb | |
|
|
LP3878MR-ADJ/NOPB | Texas Instruments | Linear Regulators | LDO Regulator Pos 1V to 5.5V 0.8A 8-Pin HSOIC EP Tube | In den Warenkorb | |
|
|
LM26400YSDE/NOPB | Texas Instruments | DC to DC Converter and Switching Regulator Chip | Conv DC-DC 3V to 20V Step Down Dual-Out 0.6V to 16V 2A/2A 16-Pin WSON EP T/R | In den Warenkorb | |
|
|
SN74AVC4T774PW | Texas Instruments | Level Translators | Voltage Level Translator 4-CH Bidirectional 16-Pin TSSOP Tube | In den Warenkorb | |
|
|
93LC46B-I/MS | Microchip Technology | EEPROM | EEPROM Serial-Microwire 1K-bit 64 x 16 3.3V/5V 8-Pin MSOP Tube | In den Warenkorb | |
|
|
LP3878MR-ADJ/NOPB | Texas Instruments | Linear Regulators | LDO Regulator Pos 1V to 5.5V 0.8A 8-Pin HSOIC EP Tube | In den Warenkorb | |