TIDA-00404, 2.1 Class-D Digital Input Closed Loop Audio Amplifier System with Signal Processing Reference Design
Referenzdesign unter Verwendung des Teils TAS5754MDCA von Texas Instruments
Für Endprodukte
- Audio Dock
- Portable Audio
Beschreibung
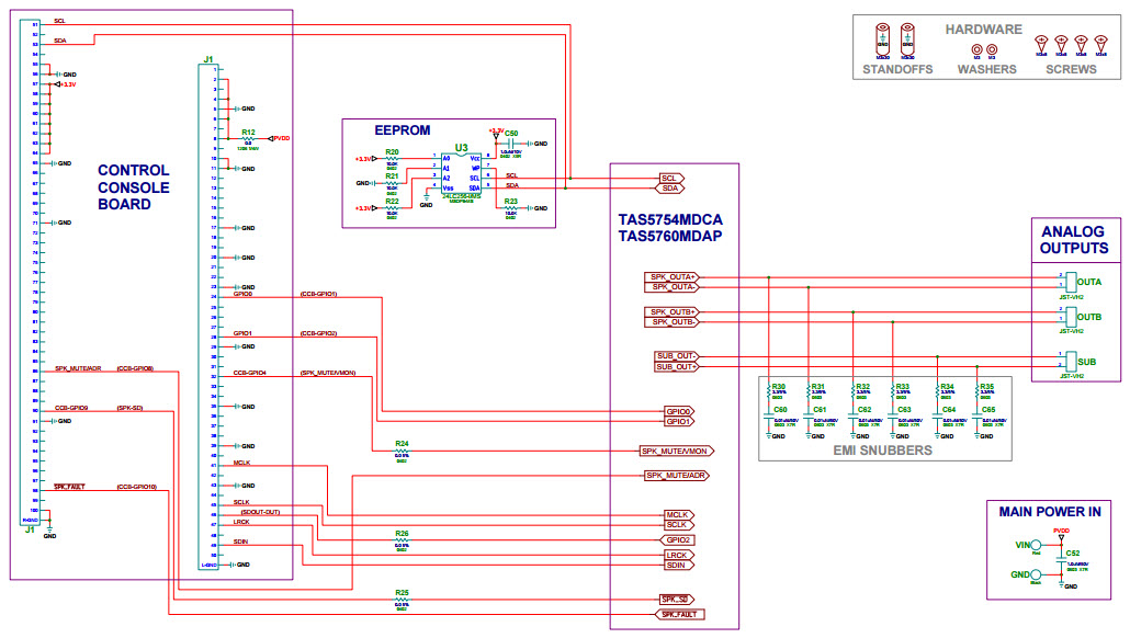
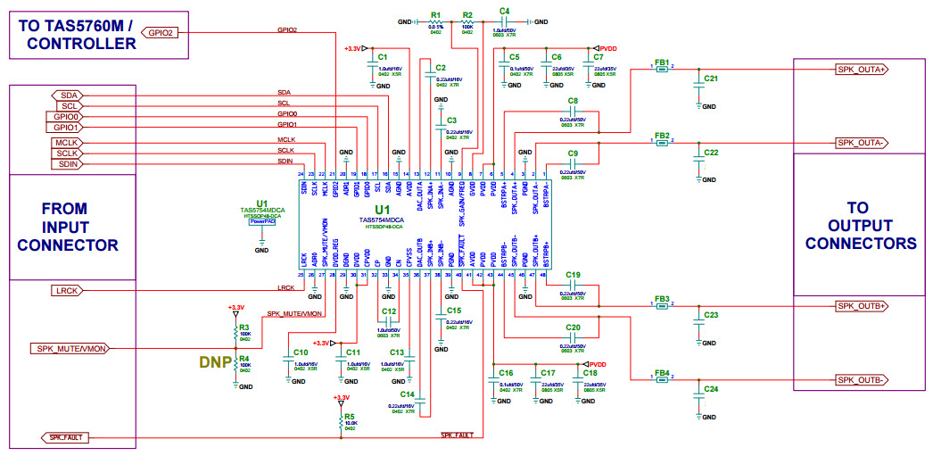
- TIDA-00404, 2.1 Class-D Digital Input Closed Loop Audio Amplifier System with Signal Processing Reference Design is designed for applications requiring 10 watts or less output power where the addition of a mono subwoofer can enhance the sound quality of stereo audio systems. A stereo TAS5756M Class-D IC amplifier is implemented for the left and right audio channels and a TAS5760M Class-D amplifier provides a mono bass channel. Biquad filters, dynamic bass enhancement and other miniDSP processing blocks allows for a fully tunable 2.1 design for integration into nearly any audio system and application
Haupteigenschaften
-
Number of Channels1|2
-
Output Power10 W
-
Amplifier TypeClass-D
Empfohlene Bauteile (16)
| Teilenummer | Hersteller | Typ | Beschreibung | |||
|---|---|---|---|---|---|---|
|
|
TAS5760LDAP | Texas Instruments | Audio Amplifiers | Audio Amp Speaker 1-CH Mono/2-CH Stereo 30W Class-D 32-Pin HTSSOP EP Tube | In den Warenkorb | |
|
|
TAS5760LDCA | Texas Instruments | Audio Amplifiers | Audio Amp Speaker 1-CH Mono/2-CH Stereo 30W Class-D 48-Pin HTSSOP EP Tube | In den Warenkorb | |
|
|
TAS5760LDDCAR | Texas Instruments | Audio Amplifiers | Audio Amp Headphone/Speaker 1-CH Mono/2-CH Stereo 30W Class-D 48-Pin HTSSOP EP T/R | In den Warenkorb | |
|
|
TAS5760MDDCA | Texas Instruments | Audio Amplifiers | Audio Amp Headphone/Speaker 1-CH Mono/2-CH Stereo 68.3W Class-D 48-Pin HTSSOP EP Tube | In den Warenkorb | |
|
|
TAS5760MDDCAR | Texas Instruments | Audio Amplifiers | Audio Amp Headphone/Speaker 1-CH Mono/2-CH Stereo 68.3W Class-D 48-Pin HTSSOP EP T/R | In den Warenkorb | |
|
|
TAS5760LDDCA | Texas Instruments | Audio Amplifiers | Audio Amp Headphone/Speaker 1-CH Mono/2-CH Stereo 30W Class-D 48-Pin HTSSOP EP Tube | In den Warenkorb | |
|
|
TAS5760MDAP | Texas Instruments | Audio Amplifiers | Audio Amp Speaker 1-CH Mono/2-CH Stereo 40W Class-D 32-Pin HTSSOP EP Tube | In den Warenkorb | |
|
|
TAS5760LDAPR | Texas Instruments | Audio Amplifiers | Audio Amp Speaker 1-CH Mono/2-CH Stereo 30W Class-D 32-Pin HTSSOP EP T/R | In den Warenkorb | |
|
|
TAS5760MDCA | Texas Instruments | Audio Amplifiers | Audio Amp Speaker 1-CH Mono/2-CH Stereo 40W Class-D 48-Pin HTSSOP EP Tube | In den Warenkorb | |
|
|
TAS5760LDCAR | Texas Instruments | Audio Amplifiers | Audio Amp Speaker 1-CH Mono/2-CH Stereo 30W Class-D 48-Pin HTSSOP EP T/R | In den Warenkorb | |
|
|
TAS5760MTDAPRQ1 | Texas Instruments | Audio Amplifiers | Audio Amp Speaker 1-CH Mono/2-CH Stereo 114.7W Class-D Automotive AEC-Q100 32-Pin HTSSOP EP T/R | In den Warenkorb | |
|
|
TAS5760MDAPR | Texas Instruments | Audio Amplifiers | Audio Amp Speaker 1-CH Mono/2-CH Stereo 40W Class-D 32-Pin HTSSOP EP T/R | In den Warenkorb | |