TIDA-00436, 36V, 32A Power Stage Reference Design for BLDC Motor with Cycle by Cycle Stall Current Limiter

Referenzdesign unter Verwendung des Teils DRV8303DCA von Texas Instruments

Hersteller

Texas Instruments
  • Anwendungskategorie
    Verstärker und Komparatoren
  • Produkttyp
    Analogverstärkung

Für Endprodukte

  • E-Bike
  • Garden Tools
  • Power Tool
  • Robots
  • Scooter
  • Vacuum Cleaner

Beschreibung

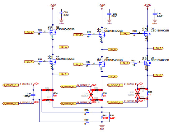
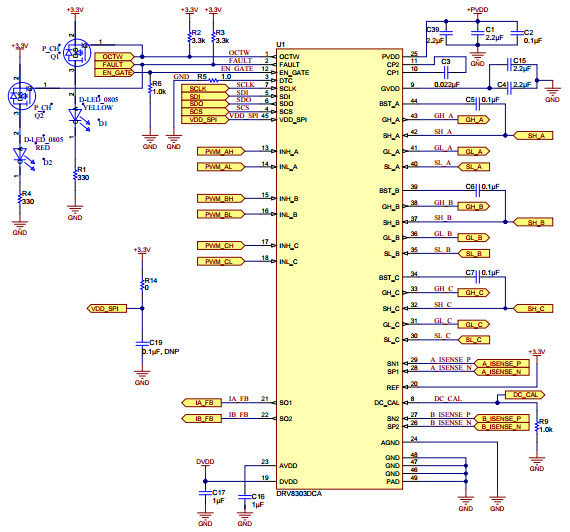
  • TIDA-00436, 36V, 32A Power Stage Reference Design for BLDC Motor with Cycle by Cycle Stall Current Limiter. This reference design is a power stage for brushless motors in battery-powered garden and power tools rated up to 1kW, operating from a 10 cell lithium-ion battery with a voltage range from 36 to 42V. The three-phase gate-driver is used to drive a three-phase MOSFET bridge, which can operate from 6 to 60 V and supports programmable gate current with maximum setting of 2.3A sink/1.7A source. The C2000 Piccolo LaunchPad LAUNCHXL-F28027 is used along with this power stage and 120 degree trapezoidal control of BLDC motor with Hall sensors is implemented in software

Aktuelles über Elektronikkomponenten­

Wir haben unsere Datenschutzbestimmungen aktualisiert. Bitte nehmen Sie sich einen Moment Zeit, diese Änderungen zu überprüfen. Mit einem Klick auf "Ich stimme zu", stimmen Sie den Datenschutz- und Nutzungsbedingungen von Arrow Electronics zu.

Wir verwenden Cookies, um den Anwendernutzen zu vergrößern und unsere Webseite zu optimieren. Mehr über Cookies und wie man sie abschaltet finden Sie hier. Cookies und tracking Technologien können für Marketingzwecke verwendet werden.
Durch Klicken von „RICHTLINIEN AKZEPTIEREN“ stimmen Sie der Verwendung von Cookies auf Ihrem Endgerät und der Verwendung von tracking Technologien zu. Klicken Sie auf „MEHR INFORMATIONEN“ unten für mehr Informationen und Anleitungen wie man Cookies und tracking Technologien abschaltet. Das Akzeptieren von Cookies und tracking Technologien ist zwar freiwillig, das Blockieren kann aber eine korrekte Ausführung unserer Website verhindern, und bestimmte Werbung könnte für Sie weniger relevant sein.
Ihr Datenschutz ist uns wichtig. Lesen Sie mehr über unsere Datenschutzrichtlinien hier.