TIDA-00551, Powering Xilinx Zynq 7015 FPGA with TPS65911 Power Management IC Reference Design

Referenzdesign unter Verwendung des Teils TPS659110 von Texas Instruments

Hersteller

Texas Instruments
  • Anwendungskategorie
    Energiemanagement
  • Produkttyp
    Mikroprozessor Leistungsüberwachung

Für Endprodukte

  • Industrial Automation HMI
  • Industrial Programmable Logic Controllers (PLCs)
  • PoE Point of Sales Terminal
  • Smart Cameras
  • System Monitoring and Control

Beschreibung

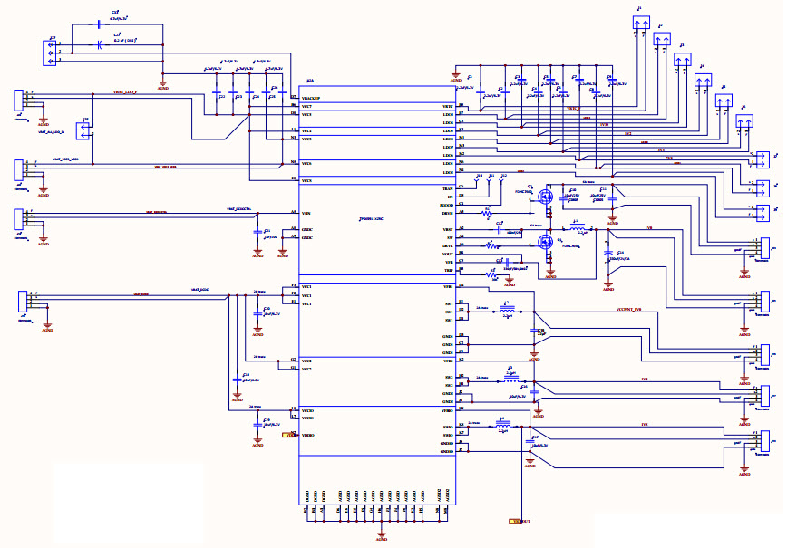
  • TIDA-00551, Powering Xilinx Zynq 7015 FPGA with TPS65911 Power Management IC Reference Design. This TPS65911 based reference design is a compact, integrated power solution for Xilinx Zynq 7015 SoC/FPGAs (out of the Zynq 7000 series family of products). This design showcases TPS65911 as an all-in-one PMIC solution capable of supplying eight rails to power the Zynq 7015 SoC/FPGAs. The total board area needed for TPS65911, including passive components, to supply the eight power rails to the Zynq 7015 is just 2.095 in2. The TPS65911 has the flexibility to support both DDR3 and DDR3L memory. TPS65911 also has the ability to support the Zynq 7020 FPGA as well. This power management IC can be run from a single 5V supply

Aktuelles über Elektronikkomponenten­

Wir haben unsere Datenschutzbestimmungen aktualisiert. Bitte nehmen Sie sich einen Moment Zeit, diese Änderungen zu überprüfen. Mit einem Klick auf "Ich stimme zu", stimmen Sie den Datenschutz- und Nutzungsbedingungen von Arrow Electronics zu.

Wir verwenden Cookies, um den Anwendernutzen zu vergrößern und unsere Webseite zu optimieren. Mehr über Cookies und wie man sie abschaltet finden Sie hier. Cookies und tracking Technologien können für Marketingzwecke verwendet werden.
Durch Klicken von „RICHTLINIEN AKZEPTIEREN“ stimmen Sie der Verwendung von Cookies auf Ihrem Endgerät und der Verwendung von tracking Technologien zu. Klicken Sie auf „MEHR INFORMATIONEN“ unten für mehr Informationen und Anleitungen wie man Cookies und tracking Technologien abschaltet. Das Akzeptieren von Cookies und tracking Technologien ist zwar freiwillig, das Blockieren kann aber eine korrekte Ausführung unserer Website verhindern, und bestimmte Werbung könnte für Sie weniger relevant sein.
Ihr Datenschutz ist uns wichtig. Lesen Sie mehr über unsere Datenschutzrichtlinien hier.