TIDA-00605, Altera Cyclone IV FPGA Power Reference Design with TPS65023 Battery Management

Referenzdesign unter Verwendung des Teils TPS65023RSB von Texas Instruments

Hersteller

Texas Instruments
  • Anwendungskategorie
    Batteriemanagement
  • Produkttyp
    Akkuladegeräte

Für Endprodukte

  • Factory Automation
  • Industrial
  • Motor Control
  • Smart Grid
  • Solar Power Inverter

Beschreibung

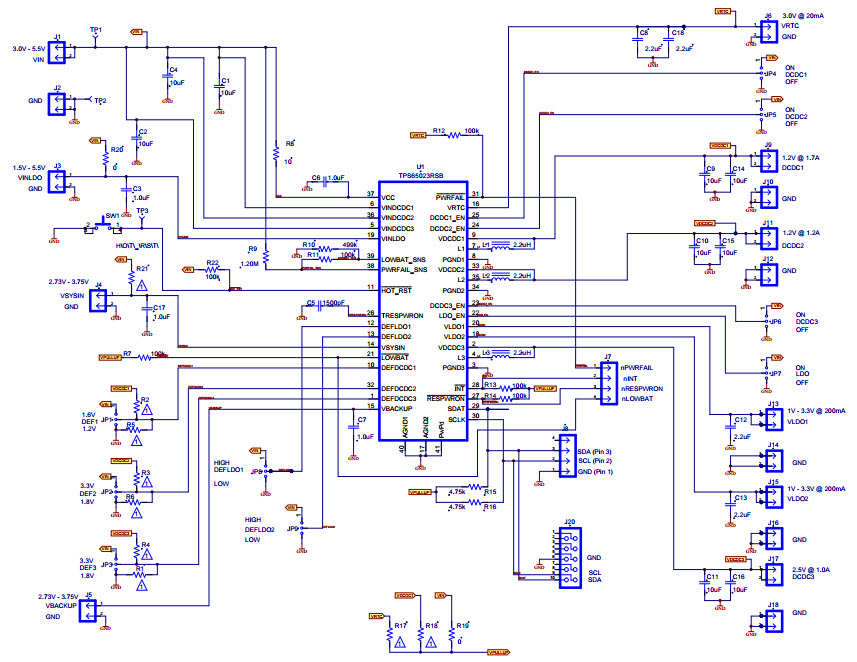
  • TIDA-00605, Altera Cyclone IV FPGA Power Reference Design with TPS65023. This TPS65023-based reference design is a compact, integrated power solution for Altera Cyclone IV SoC (out of the Cyclone series family of products). This design showcases TPS65023 as an all-in-one IC used to supply the rails needed for powering the Cyclone IV SoC. The TPS65023 offers simple, flexible output voltages and sequencing. The voltages on the DC/DC Converters can be set through software or via external resistor divider. This power management IC has a input range from 2.5 - 6V and can be run from a single 5V supply or from a single cell Li-Ion battery. This design has been tested and verified for industrial applications

Haupteigenschaften

  • Battery Type
    Lithium-Ion|Lithium-Polymer
  • Input Voltage
    1.5 to 6.5 V
  • Output Voltage
    1.2|1.2|1.8|2.5|3.3 V
  • Number of Battery Cells
    1

Aktuelles über Elektronikkomponenten­

Wir haben unsere Datenschutzbestimmungen aktualisiert. Bitte nehmen Sie sich einen Moment Zeit, diese Änderungen zu überprüfen. Mit einem Klick auf "Ich stimme zu", stimmen Sie den Datenschutz- und Nutzungsbedingungen von Arrow Electronics zu.

Wir verwenden Cookies, um den Anwendernutzen zu vergrößern und unsere Webseite zu optimieren. Mehr über Cookies und wie man sie abschaltet finden Sie hier. Cookies und tracking Technologien können für Marketingzwecke verwendet werden.
Durch Klicken von „RICHTLINIEN AKZEPTIEREN“ stimmen Sie der Verwendung von Cookies auf Ihrem Endgerät und der Verwendung von tracking Technologien zu. Klicken Sie auf „MEHR INFORMATIONEN“ unten für mehr Informationen und Anleitungen wie man Cookies und tracking Technologien abschaltet. Das Akzeptieren von Cookies und tracking Technologien ist zwar freiwillig, das Blockieren kann aber eine korrekte Ausführung unserer Website verhindern, und bestimmte Werbung könnte für Sie weniger relevant sein.
Ihr Datenschutz ist uns wichtig. Lesen Sie mehr über unsere Datenschutzrichtlinien hier.