TIDA-00717, 16-Cell EV/HEV Integrated Battery Monitor and Protector with Passive Balancing Reference Design

Referenzdesign unter Verwendung des Teils BQ76PL455ATPFCRQ1 von Texas Instruments

Hersteller

Texas Instruments
  • Anwendungskategorie
    Batteriemanagement
  • Produkttyp
    Batterie Überwachung

Beschreibung

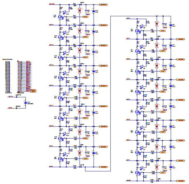
  • TIDA-00717, 16-Cell EV/HEV Integrated Battery Monitor and Protector with Passive Balancing Reference Design. Stackable monitor and protector for use in large format Lithium-ion batteries that provides monitoring, balancing, and communications. Each bq76PL455A-Q1 EVM can manage 8 to 16 cells (12V min) for Li-ion battery applications. Up to 16 bq76PL455A-Q1 EVM modules can be stacked. The system provides fast cell balancing, diagnostics and module to controller communication. Independent protection circuitry is also integrated

Haupteigenschaften

  • Number of Battery Cells
    16

Aktuelles über Elektronikkomponenten­

Wir haben unsere Datenschutzbestimmungen aktualisiert. Bitte nehmen Sie sich einen Moment Zeit, diese Änderungen zu überprüfen. Mit einem Klick auf "Ich stimme zu", stimmen Sie den Datenschutz- und Nutzungsbedingungen von Arrow Electronics zu.

Wir verwenden Cookies, um den Anwendernutzen zu vergrößern und unsere Webseite zu optimieren. Mehr über Cookies und wie man sie abschaltet finden Sie hier. Cookies und tracking Technologien können für Marketingzwecke verwendet werden.
Durch Klicken von „RICHTLINIEN AKZEPTIEREN“ stimmen Sie der Verwendung von Cookies auf Ihrem Endgerät und der Verwendung von tracking Technologien zu. Klicken Sie auf „MEHR INFORMATIONEN“ unten für mehr Informationen und Anleitungen wie man Cookies und tracking Technologien abschaltet. Das Akzeptieren von Cookies und tracking Technologien ist zwar freiwillig, das Blockieren kann aber eine korrekte Ausführung unserer Website verhindern, und bestimmte Werbung könnte für Sie weniger relevant sein.
Ihr Datenschutz ist uns wichtig. Lesen Sie mehr über unsere Datenschutzrichtlinien hier.