TIDC-CC3200Smart Plug, SimpleLink Wi-Fi CC3200 Smart Plug Reference Design
Referenzdesign unter Verwendung des Teils CC3200R1M2RGCR von Texas Instruments
Zugehörige Dokumente
Für Endprodukte
- Building Automation
- Home Appliances
- Location Awareness
- Smart Plugs
- System Monitoring and Control
- White Goods
Beschreibung
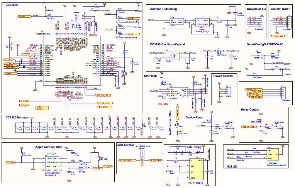
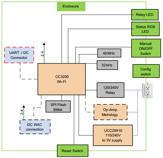
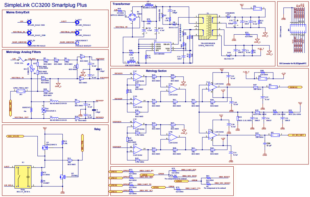
- TIDC-CC3200Smart Plug, SimpleLink Wi-Fi CC3200 Smart Plug Reference Design. Increasingly, applications require Wi-Fi-enabled energy measurement and control, particularly in end products such as Smart Plugs and Smart Receptacles and in general application spaces such as home appliances, Smart Grid and building automation. The CC3200 Smart Plug is a full system solution, which integrates within a single microcontroller (MCU) the metrology data computation, and handles all Wi-Fi communication, including connection to a cloud server. The device monitors energy consumption from a single load and controls the high voltage side while communicating data over Wi-Fi to other devices and to Cloud server. The system also includes a Flyback Power Supply Unit (PSU) that powers the system efficiently while being highly compact
Empfohlene Bauteile (8)
| Teilenummer | Hersteller | Typ | Beschreibung | |||
|---|---|---|---|---|---|---|
|
|
ABS07-32.768kHz-T | Abracon | Crystals | Crystal 0.032768MHz ±20ppm (Tol) 12.5pF FUND 70000Ohm 2-Pin CSMD T/R | In den Warenkorb | |
|
|
LMV324MX/NOPB | Texas Instruments | Operational Amplifiers - Op Amps | Op Amp Quad Low Voltage Amplifier R-R O/P 5.5V 14-Pin SOIC T/R | In den Warenkorb | |
|
|
UCC28910D | Texas Instruments | AC to DC Switching Converters | AC to DC Switching Converter Flyback 115kHz Tube 7-Pin SOIC | In den Warenkorb | |
|
|
SML-LX0404SIUPGUSB | Lumex | LEDs | LED Tri-Color Blue/Green/Red 468nm/518nm/632nm 4-Pin SMD T/R | In den Warenkorb | |
|
|
LMV324MX/NOPB | Texas Instruments | Operational Amplifiers - Op Amps | Op Amp Quad Low Voltage Amplifier R-R O/P 5.5V 14-Pin SOIC T/R | In den Warenkorb | |
|
|
ABS07-32,768KHZ-T | Abracon | Crystals | Crystal 0.032768MHz ±20ppm (Tol) 12.5pF FUND 70000Ohm 2-Pin CSMD T/R | In den Warenkorb | |
|
|
TPS61097A-33DBVR | Texas Instruments | DC to DC Converter and Switching Regulator Chip | Conv DC-DC 0.9V to 5.5V Synchronous Step Up Single-Out 3.3V 0.4A 5-Pin SOT-23 T/R | In den Warenkorb | |
|
|
CC3200R1M2RGCR | Texas Instruments | 802.11 Wireless LAN | Module 802.11b/g/n 2.484GHz 16000Kbps 64-Pin VQFN EP T/R | In den Warenkorb | |