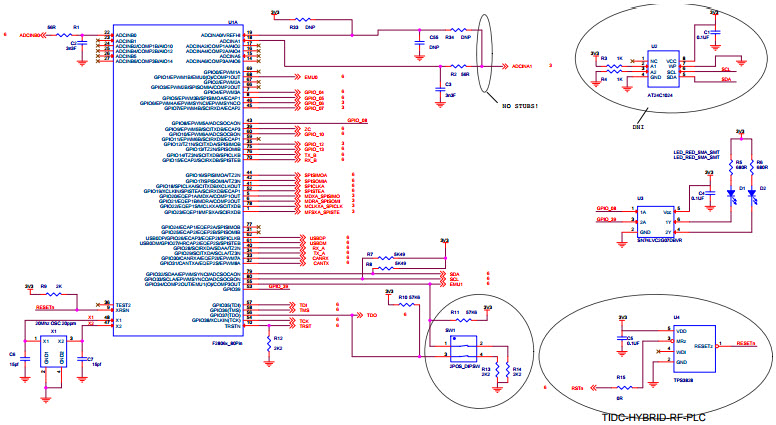
TIDC-HYBRID-RF-PLC, Hybrid RF and PLC Reference Design Extends Network Coverage and Reliability
Referenzdesign unter Verwendung des Teils CC1310F128RGZ von Texas Instruments
Für Endprodukte
- Power Line Communication
- Smart Electric Meter
- Smart Grid
- Smart Plugs
- Wireless Communications
Beschreibung
- TIDC-HYBRID-RF-PLC, Hybrid RF and PLC Reference Design Extends Network Coverage and Reliability. The importance of on-time response and monitoring in Advanced Metering Infrastructure (AMI) and distribution automation networks increases demands on reliable communications. This Design addresses this issue by implementing a solution with both RF and Power Line Communication (PLC). This design can help improve network performance, reliability, capacity and scalability. The CC13xx wireless MCU acts as both the RF protocol processor and the host for the PLC processor, resulting in additional cost-saving for the system design. This design is based on a proprietary RF solution to provide a reference for choosing various RF protocols and frequency bands as required in different markets. The Hybrid Wireless M-Bus and G3-PLC Reference Design implements a specific version of the hybrid RF+PLC concept
Empfohlene Bauteile (46)
| Teilenummer | Hersteller | Typ | Beschreibung | |||
|---|---|---|---|---|---|---|
|
|
SN74HC03PWR | Texas Instruments | Logic Gates | NAND Gate 4-Element 2-IN CMOS 14-Pin TSSOP T/R | In den Warenkorb | |
|
|
ECS-120-20-30B-TR | ECS, Inc. International | Crystals | Crystal 12MHz ±30ppm (Tol) ±50ppm (Stability) 20pF FUND 80Ohm 4-Pin Mini-SMD T/R | In den Warenkorb | |
|
|
FC-135 32.768KA-AG0 | Seiko Epson Corporation | Crystals | Crystal 0.032768MHz ±20ppm (Tol) 7pF FUND 70000Ohm 2-Pin CSMD T/R | In den Warenkorb | |
|
|
X1E000021020200 | Seiko Epson Corporation | Crystals | Crystal 24MHz ±10ppm (Tol) ±15ppm (Stability) 9pF FUND 40Ohm 4-Pin Mini-CSMD T/R | In den Warenkorb | |
|
|
X1E000021020212 | Seiko Epson Corporation | Crystals | Crystal 24MHz ±10ppm (Tol) ±15ppm (Stability) 9pF FUND 40Ohm 4-Pin Mini-CSMD T/R | In den Warenkorb | |
|
|
CC1310F32RGZT | Texas Instruments | Combo Wireless Modules | WLAN+BT+ZigBee Module 48-Pin VQFN EP T/R | In den Warenkorb | |
|
|
TPS62240DRVT | Texas Instruments | DC to DC Converter and Switching Regulator Chip | Conv DC-DC 2V to 6V Synchronous Step Down Single-Out 0.6V to 6V 0.3A 6-Pin WSON EP T/R | In den Warenkorb | |
|
|
AFE031AIRGZR | Texas Instruments | Analog Front End - AFE | AFE General Purpose 3.3V 48-Pin VQFN EP T/R | In den Warenkorb | |
|
|
SN74LVC2G07DBVR | Texas Instruments | Buffers and Line Drivers | Buffer/Driver 2-CH Non-Inverting Open Drain CMOS 6-Pin SOT-23 T/R | In den Warenkorb | |
|
|
Q13FC1350000214 | Seiko Epson Corporation | Crystals | Crystal 0.032768MHz ±20ppm (Tol) 7pF FUND 70000Ohm 2-Pin CSMD T/R | In den Warenkorb | |
|
|
TSX-3225 24.0000MF15X-AC0 | Seiko Epson Corporation | Crystals | Crystal 24MHz ±10ppm (Tol) ±15ppm (Stability) 9pF FUND 40Ohm 4-Pin Mini-CSMD T/R | In den Warenkorb | |
|
|
X1E000021020201 | Seiko Epson Corporation | Crystals | Crystal 24MHz ±10ppm (Tol) ±15ppm (Stability) 9pF FUND 40Ohm 4-Pin Mini-CSMD Bulk | In den Warenkorb | |