TIDC-WL1837MOD-AUDIO-MULTIROOM-CAPE, WiLink8 Wi-Fi/Bluetooth/Bluetooth Smart audio multi-room cape Reference Design
Referenzdesign unter Verwendung des Teils WL1837MODGIMOC von Texas Instruments
Zugehörige Dokumente
- WiLink 8 Wi-Fi Bluetooth Smart Audio Multiroom Cape CAD Files
- WiLink 8 Wi-Fi Bluetooth Smart Audio Multiroom Cape BOM
- WiLink 8 Wi-Fi Bluetooth Smart Audio Multiroom Cape Gerber
- WiLink 8 Wi-Fi Bluetooth Smart Audio Multiroom Cape PCB
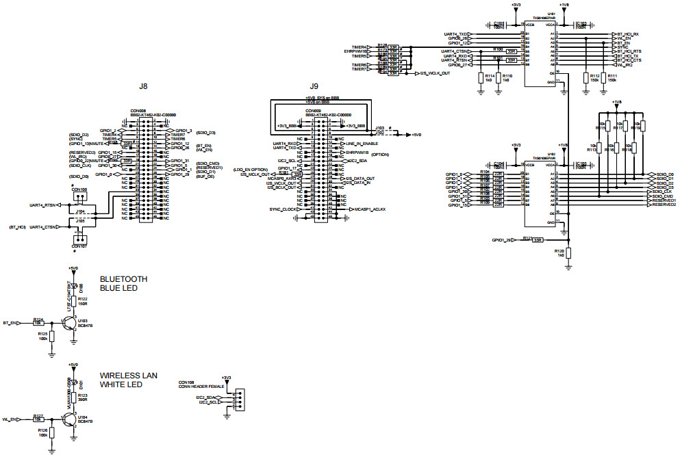
- WiLink 8 Wi-Fi Bluetooth Smart Audio Multiroom Cape Schematic
- WiLink 8 Wi-Fi Bluetooth Smart Audio Multiroom Cape Assembly Drawing
Für Endprodukte
- Audio Dock
- Home Theater
- Soundbar
- Wireless Headset
- Wireless Speaker
Beschreibung
- TIDC-WL1837MOD-AUDIO-MULTIROOM-CAPE, WiLink 8 WL1837MOD audio cape is wireless multi-room audio reference design used with BeagleBone Black. The WiLink 8 device's WLAN capability to capture and register precise arrival time of the connected AP's beacon is used to achieve ultra-precise synchronization between multiple connected audio devices. The WiLink 8 module (WL1837MOD) offers integrated Wi-Fi/Bluetooth/Bluetooth Smart solution featuring 2.4 GHz MIMO and antenna diversity on 5 GHz band. It offers best in class audio solution featuring multi-room, Airplay receiver, full audio stack streaming, support for online music services and much more. This Design will enable customers to design their own audio boards with Wi-Fi/Bluetooth/Bluetooth Smart connectivity from our WiLink 8 module (WL1837MOD) and evaluate audio multi-room software on it
Haupteigenschaften
-
Operating Frequency2400 MHz
Empfohlene Bauteile (9)
| Teilenummer | Hersteller | Typ | Beschreibung | |||
|---|---|---|---|---|---|---|
|
|
CAT24C256WI-GT3 | onsemi | EEPROM | EEPROM Serial-I2C 256K-bit 32K x 8 2.5V/3.3V/5V 8-Pin SOIC N T/R | In den Warenkorb | |
|
|
TL1963A-33DCQT | Texas Instruments | Linear Regulators | LDO Regulator Pos 3.3V 1.5A 6-Pin(5+Tab) SOT-223 T/R | In den Warenkorb | |
|
|
TPS73618DBVT | Texas Instruments | Linear Regulators | LDO Regulator Pos 1.8V 0.4A 5-Pin SOT-23 T/R | In den Warenkorb | |
|
|
74AHC1G00W5-7 | Diodes Incorporated | Logic Gates | NAND Gate 1-Element 2-IN CMOS 5-Pin SOT-25 T/R | In den Warenkorb | |
|
|
TXS0108EPWR | Texas Instruments | Level Translators | Voltage Level Translator 8-CH Bidirectional 20-Pin TSSOP T/R | In den Warenkorb | |
|
|
PCM5101AQPWRQ1 | Texas Instruments | Digital to Analog Converters - DACs | DAC 2-CH Segment 32-bit Automotive AEC-Q100 20-Pin TSSOP T/R | In den Warenkorb | |
|
|
WL1837MODGIMOCR | Texas Instruments | Combo Wireless Modules | WLAN+BT Module 2412MHz to 2484MHz/4910MHz to 5825MHz 100-Pin SMD Module T/R | In den Warenkorb | |
|
|
WL1837MODGIMOCR-936994701 | Texas Instruments | Combo Wireless Modules | WLAN+BT Module 2412MHz to 2484MHz/4910MHz to 5825MHz 100-Pin SMD Module T/R | In den Warenkorb | |
|
|
WL1837MODGIMOCT | Texas Instruments | Combo Wireless Modules | WLAN+BT Module 2412MHz to 2484MHz/4910MHz to 5825MHz 100-Pin SMD Module T/R | In den Warenkorb | |