TIDEP0024, AM437x Low Power Suspend Mode with LPDDR2

Referenzdesign unter Verwendung des Teils XAM437XAZDN von Texas Instruments

Hersteller

Texas Instruments
  • Anwendungskategorie
    Eingebettete Systeme
  • Produkttyp
    Anwendungsprozessor

Zugehörige Dokumente

Für Endprodukte

  • Barcode Scanner
  • CPAP Machine
  • Currency Counter
  • DSL Gateway
  • GPS Navigation
  • Infusion Pump
  • Internet Radio Player
  • Patient Monitoring
  • Power Quality Meter
  • Printers
  • Refrigerator and freezer
  • Software Defined Radio
  • Tablet
  • Ventilators & Respirators

Beschreibung

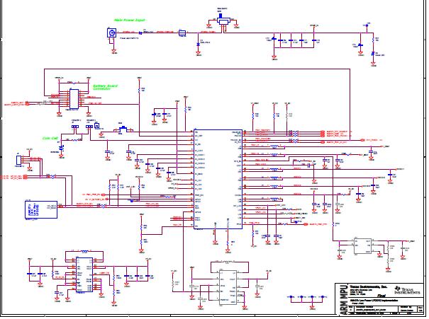
  • TIDEP0024, AM437x Low Power Suspend Mode with LPDDR2. This low power mode implementation realizes processor power consumption less than 0.1 mW while keeping LPDDR2 memory in self refresh consuming 1.6 mW. The system solution is comprised of AM437x Sitara processor, LPDDR2 memory and TPS65218 power management IC and optimized for new low power mode along with support for legacy low power modes. The processor power is minimized by turning off all the processor power supplies except RTC power supply

Haupteigenschaften

  • Embedded System Type
    SoC
  • Family Name
    Sitara AM437x
  • Core Processor
    ARM Cortex-A9

Aktuelles über Elektronikkomponenten­

Wir haben unsere Datenschutzbestimmungen aktualisiert. Bitte nehmen Sie sich einen Moment Zeit, diese Änderungen zu überprüfen. Mit einem Klick auf "Ich stimme zu", stimmen Sie den Datenschutz- und Nutzungsbedingungen von Arrow Electronics zu.

Wir verwenden Cookies, um den Anwendernutzen zu vergrößern und unsere Webseite zu optimieren. Mehr über Cookies und wie man sie abschaltet finden Sie hier. Cookies und tracking Technologien können für Marketingzwecke verwendet werden.
Durch Klicken von „RICHTLINIEN AKZEPTIEREN“ stimmen Sie der Verwendung von Cookies auf Ihrem Endgerät und der Verwendung von tracking Technologien zu. Klicken Sie auf „MEHR INFORMATIONEN“ unten für mehr Informationen und Anleitungen wie man Cookies und tracking Technologien abschaltet. Das Akzeptieren von Cookies und tracking Technologien ist zwar freiwillig, das Blockieren kann aber eine korrekte Ausführung unserer Website verhindern, und bestimmte Werbung könnte für Sie weniger relevant sein.
Ihr Datenschutz ist uns wichtig. Lesen Sie mehr über unsere Datenschutzrichtlinien hier.