TIDEP0039, Sercos III Slave for AM437x Communication Development Platform Reference Design
Referenzdesign unter Verwendung des Teils AM4376BZDN von Texas Instruments
Zugehörige Dokumente
- Sercos III Slave for AM437x CAD Files
- Sercos III Slave for AM437x Assembly Files
- An inside look at industrial Ethernet communication protocols
- Sercos III Slave for AM437x Gerber
- TIDEP0039 Sercos III for AM437x Firmware
- Sercos III Slave for AM437x Layer Plots
- Sercos III Slave for AM437x BOM
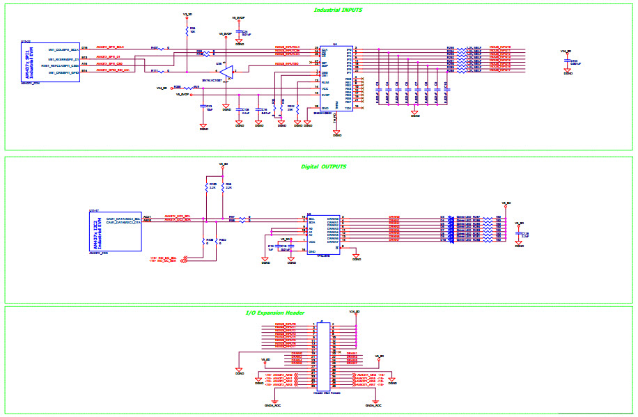
- Sercos III Slave for AM437x Schematic
Für Endprodukte
- Factory Automation
- Industrial Gateway - Router
- Motor Driver
- Process Control
- Sensors
- Transmitter
Beschreibung
- TIDEP0039, Sercos III Slave for AM437x Communication Development Platform Reference Design. The TIDEP0039 Sercos III Slave for AM437x Communication Development Platform Reference Design combines the AM437x Sitara processor family and the Sercos III media access control (MAC) layer into a single system-on-chip (SoC) solution. Targeted for Sercos III slave communications, the TIDEP0039 allows designers to implement the real-time Sercos III communication standard for a broad range of industrial automation equipment
Haupteigenschaften
-
Embedded System TypeSoC
-
Family NameSitara AM437x
-
Core ProcessorARM Cortex-A8|ARM Cortex-A9
-
PlatformIndustrial Development
Empfohlene Bauteile (86)
| Teilenummer | Hersteller | Typ | Beschreibung | |||
|---|---|---|---|---|---|---|
|
|
KSZ9031RNXCC | Microchip Technology | PHY | PHY 1-CH 10Mbps/100Mbps/1Gbps 1.8V/2.5V/3.3V 48-Pin QFN EP Tray | In den Warenkorb | |
|
|
KSZ9031RNXCC-TR | Microchip Technology | PHY | PHY 1-CH 10Mbps/100Mbps/1Gbps 1.8V/2.5V/3.3V 48-Pin VQFN EP T/R | In den Warenkorb | |
|
|
TPS79301DBVRQ1 | Texas Instruments | Linear Regulators | LDO Regulator Pos 1.2V to 5.5V 0.2A Automotive AEC-Q100 6-Pin SOT-23 T/R | In den Warenkorb | |
|
|
TXS0102DCTT | Texas Instruments | Level Translators | Voltage Level Translator 2-CH Bidirectional 8-Pin SSOP T/R | In den Warenkorb | |
|
|
CDCE913PWR | Texas Instruments | Clock Generators and Synthesizers | Clock Generator 8MHz to 160MHz-IN 230MHz-OUT 14-Pin TSSOP T/R | In den Warenkorb | |
|
|
AM4378BZDND80 | Texas Instruments | Microprocessors - MPUs | MPU AM437x RISC 32bit 800MHz 491-Pin NFBGA Tray | In den Warenkorb | |
|
|
AM4378BZDNA80S | Texas Instruments | Microprocessors - MPUs | Sitara ARM Cortex -A9 32-Bit RISC Processor | In den Warenkorb | |
|
|
TPIC2810D | Texas Instruments | LED Drivers | LED Driver 1000uA Supply Current 16-Pin SOIC Tube | In den Warenkorb | |
|
|
KSZ9031RNXVB-TRVAO | Microchip Technology | PHY | PHY 1-CH 10Mbps/100Mbps/1Gbps 1.8V/2.5V/3.3V 48-Pin VQFN EP T/R Automotive AEC-Q100 | In den Warenkorb | |
|
|
KSZ9031RNXIC-TR | Microchip Technology | PHY | PHY 1-CH 10Mbps/100Mbps/1Gbps 1.8V/2.5V/3.3V 48-Pin VQFN EP T/R | In den Warenkorb | |
|
|
TXS0102DCTTG4 | Texas Instruments | Level Translators | Voltage Level Translator 2-CH Bidirectional 8-Pin SSOP T/R | In den Warenkorb | |
|
|
SN74AVC1T45DCKT | Texas Instruments | Level Translators | Voltage Level Translator 1-CH Bidirectional 6-Pin SC-70 T/R | In den Warenkorb | |