TPA5051EVM, Evaluation Module (EVM) consists of a Single TPA5051 Audio Delay Device
Referenzdesign unter Verwendung des Teils TPA5051 von Texas Instruments
Für Endprodukte
- Flat Panel Display
- High-Definition TV
- Home Theater
- Wireless Speaker
Beschreibung
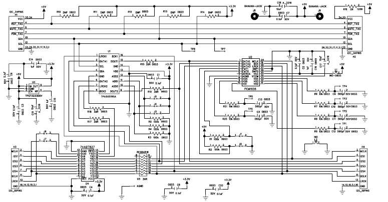
- TPA5051EVM, Evaluation Module for TPA5051 evaluation module (EVM) consists of a single TPA5051 audio delay device, along with other external components mounted on a printed-circuit board (PCB) that can be used to independently delay two digital audio streams. Each digital audio stream consists of a left and right channel, both of which can be delayed up to 4095 samples (with a 48kHz sampling rate, that equates to more than 85ms of delay). The TPA5051EVM is designed to work seamlessly with the Input USB board, but can function as a stand-alone board for pass-through testing in any system
Empfohlene Bauteile (17)
| Teilenummer | Hersteller | Typ | Beschreibung | |||
|---|---|---|---|---|---|---|
|
|
PCM1606EG4 | Texas Instruments | Digital to Analog Converters - DACs | DAC 6-CH Delta-Sigma 24-bit 20-Pin SSOP Tube | In den Warenkorb | |
|
|
TPS73233DCQG4 | Texas Instruments | Linear Regulators | LDO Regulator Pos 3.3V 0.25A 6-Pin(5+Tab) SOT-223 Tube | In den Warenkorb | |
|
|
SN74ABT827DWR | Texas Instruments | Buffers and Line Drivers | Buffer/Line Driver 10-CH Non-Inverting 3-ST BiCMOS 24-Pin SOIC T/R | In den Warenkorb | |
|
|
SN74ABT827PWR | Texas Instruments | Buffers and Line Drivers | Buffer/Line Driver 10-CH Non-Inverting 3-ST BiCMOS 24-Pin TSSOP T/R | In den Warenkorb | |
|
|
SN74ABT827DW | Texas Instruments | Buffers and Line Drivers | Buffer/Line Driver 10-CH Non-Inverting 3-ST BiCMOS 24-Pin SOIC Tube | In den Warenkorb | |
|
|
TPS73233DBVT | Texas Instruments | Linear Regulators | LDO Regulator Pos 3.3V 0.25A 5-Pin SOT-23 T/R | In den Warenkorb | |
|
|
TPS73233DBVRG4 | Texas Instruments | Linear Regulators | LDO Regulator Pos 3.3V 0.25A 5-Pin SOT-23 T/R | In den Warenkorb | |
|
|
SN74ABT827PW | Texas Instruments | Buffers and Line Drivers | Buffer/Line Driver 10-CH Non-Inverting 3-ST BiCMOS 24-Pin TSSOP Tube | In den Warenkorb | |
|
|
TPS73233DCQR | Texas Instruments | Linear Regulators | LDO Regulator Pos 3.3V 0.25A 6-Pin(5+Tab) SOT-223 T/R | In den Warenkorb | |
|
|
TPS73233DBVR | Texas Instruments | Linear Regulators | LDO Regulator Pos 3.3V 0.25A 5-Pin SOT-23 T/R | In den Warenkorb | |
|
|
SN74ABT827PWG4 | Texas Instruments | Buffers and Line Drivers | Buffer/Line Driver 10-CH Non-Inverting 3-ST BiCMOS 24-Pin TSSOP Tube | In den Warenkorb | |
|
|
TPS73633DCQRG4 | Texas Instruments | Linear Regulators | LDO Regulator Pos 3.3V 0.4A 6-Pin(5+Tab) SOT-223 T/R | In den Warenkorb | |