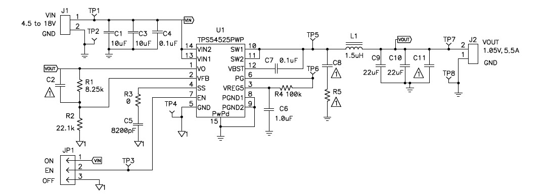
TPS54525EVM-608, Evaluation Module using TPS54525 synchronous buck converter

Referenzdesign unter Verwendung des Teils TPS54525PWP von Texas Instruments

Hersteller

Texas Instruments
  • Anwendungskategorie
    Spannungsversorgungen
  • Produkttyp
    Einzelausgangs Gleichspannungs Netzteil

Für Endprodukte

  • Digital TV
  • High Definition Blue-ray Disc Player
  • Networking Home Terminal
  • Set-Top Box

Beschreibung

  • TPS54525EVM-608, Evaluation Module using TPS54525 is a single, adaptive on-time, D-CAP2-mode, synchronous buck converter requiring a very low external component count. The D-CAP2 control circuit is optimized for low-ESR output capacitors such as POSCAP, SP-CAP, or ceramic types and features fast transient response with no external compensation. The switching frequency is internally set at a nominal 650 kHz. It provides a 1.05 V at 5.5 A from 5-V to 18-V input

Haupteigenschaften

  • Conversion Type
    DC to DC
  • Input Voltage
    4.5 to 18 V
  • Output Voltage
    1.05 V
  • Output Current
    5.5 A
  • Topology
    Buck

Aktuelles über Elektronikkomponenten­

Wir haben unsere Datenschutzbestimmungen aktualisiert. Bitte nehmen Sie sich einen Moment Zeit, diese Änderungen zu überprüfen. Mit einem Klick auf "Ich stimme zu", stimmen Sie den Datenschutz- und Nutzungsbedingungen von Arrow Electronics zu.

Wir verwenden Cookies, um den Anwendernutzen zu vergrößern und unsere Webseite zu optimieren. Mehr über Cookies und wie man sie abschaltet finden Sie hier. Cookies und tracking Technologien können für Marketingzwecke verwendet werden.
Durch Klicken von „RICHTLINIEN AKZEPTIEREN“ stimmen Sie der Verwendung von Cookies auf Ihrem Endgerät und der Verwendung von tracking Technologien zu. Klicken Sie auf „MEHR INFORMATIONEN“ unten für mehr Informationen und Anleitungen wie man Cookies und tracking Technologien abschaltet. Das Akzeptieren von Cookies und tracking Technologien ist zwar freiwillig, das Blockieren kann aber eine korrekte Ausführung unserer Website verhindern, und bestimmte Werbung könnte für Sie weniger relevant sein.
Ihr Datenschutz ist uns wichtig. Lesen Sie mehr über unsere Datenschutzrichtlinien hier.