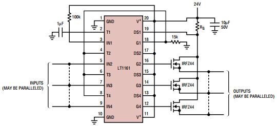
Typical Application Circuit for LT1161CSW Using an Extra Channel to Do Common Current Limit for Multiple/Paralleled Switches

Referenzdesign unter Verwendung des Teils LT1161CSW von Analog Devices

Hersteller

Analog Devices
  • Anwendungskategorie
    Leistungstreiber
  • Produkttyp
    MOSFET-Leistungstreiber

Für Endprodukte

  • Circuit Breaker
  • Industrial Control
  • Military and Avionics Imaging
  • Motor Control
  • Switches

Beschreibung

  • Typical Application Circuit for LT1161CSW Using an Extra Channel to Do Common Current Limit for Multiple/Paralleled Switches. The LT1161 is a quad high-side gate driver allowing the use of low cost N-channel power MOSFETs for high-side switching applications. It has four independent switch channels, each containing a completely self-contained charge pump to fully enhance an N-channel MOSFET switch with no external components

Haupteigenschaften

  • Input Voltage
    8 to 48 V

Aktuelles über Elektronikkomponenten­

Wir haben unsere Datenschutzbestimmungen aktualisiert. Bitte nehmen Sie sich einen Moment Zeit, diese Änderungen zu überprüfen. Mit einem Klick auf "Ich stimme zu", stimmen Sie den Datenschutz- und Nutzungsbedingungen von Arrow Electronics zu.

Wir verwenden Cookies, um den Anwendernutzen zu vergrößern und unsere Webseite zu optimieren. Mehr über Cookies und wie man sie abschaltet finden Sie hier. Cookies und tracking Technologien können für Marketingzwecke verwendet werden.
Durch Klicken von „RICHTLINIEN AKZEPTIEREN“ stimmen Sie der Verwendung von Cookies auf Ihrem Endgerät und der Verwendung von tracking Technologien zu. Klicken Sie auf „MEHR INFORMATIONEN“ unten für mehr Informationen und Anleitungen wie man Cookies und tracking Technologien abschaltet. Das Akzeptieren von Cookies und tracking Technologien ist zwar freiwillig, das Blockieren kann aber eine korrekte Ausführung unserer Website verhindern, und bestimmte Werbung könnte für Sie weniger relevant sein.
Ihr Datenschutz ist uns wichtig. Lesen Sie mehr über unsere Datenschutzrichtlinien hier.