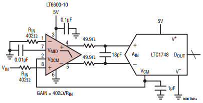
Typical Application Circuit for LT6600CDF-10 Very Low Noise, Differential Amplifier and 10MHz Lowpass Filter

Referenzdesign unter Verwendung des Teils LT6600CDF-10 von Analog Devices

Hersteller

Analog Devices
  • Anwendungskategorie
    Aktivfilter
  • Produkttyp
    Differenzieller Aktivfilter

Für Endprodukte

  • Cell Basestation
  • Medical Imaging
  • Test and Measurement

Beschreibung

  • Typical Application Circuit for LT6600CDF-10 Very Low Noise, Differential Amplifier and 10MHz Lowpass Filter. The LT6600-10 combines a fully differential amplifier with a 4th order 10MHz lowpass filter approximating a Chebyshev frequency response. Most differential Amplifiers require many precision external components to tailor gain and bandwidth

Haupteigenschaften

  • Filter Type
    Lowpass
  • Operating Frequency
    10000 KHz

Aktuelles über Elektronikkomponenten­

Wir haben unsere Datenschutzbestimmungen aktualisiert. Bitte nehmen Sie sich einen Moment Zeit, diese Änderungen zu überprüfen. Mit einem Klick auf "Ich stimme zu", stimmen Sie den Datenschutz- und Nutzungsbedingungen von Arrow Electronics zu.

Wir verwenden Cookies, um den Anwendernutzen zu vergrößern und unsere Webseite zu optimieren. Mehr über Cookies und wie man sie abschaltet finden Sie hier. Cookies und tracking Technologien können für Marketingzwecke verwendet werden.
Durch Klicken von „RICHTLINIEN AKZEPTIEREN“ stimmen Sie der Verwendung von Cookies auf Ihrem Endgerät und der Verwendung von tracking Technologien zu. Klicken Sie auf „MEHR INFORMATIONEN“ unten für mehr Informationen und Anleitungen wie man Cookies und tracking Technologien abschaltet. Das Akzeptieren von Cookies und tracking Technologien ist zwar freiwillig, das Blockieren kann aber eine korrekte Ausführung unserer Website verhindern, und bestimmte Werbung könnte für Sie weniger relevant sein.
Ihr Datenschutz ist uns wichtig. Lesen Sie mehr über unsere Datenschutzrichtlinien hier.