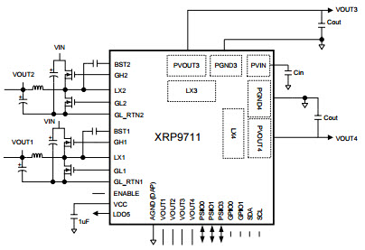
Typical Application Circuit for XRP9711 Dual 6A Programmable Power Module

Referenzdesign unter Verwendung des Teils XRP9711 von MaxLinear

Hersteller

MaxLinear
  • Anwendungskategorie
    Spannungsversorgungen
  • Produkttyp
    Mehrfach Gleichspannungs Netzteil

Für Endprodukte

  • Automatic Test Equipment
  • Basestation
  • Broadcast
  • Industrial Control
  • Servers
  • Surveillance and Security System

Beschreibung

  • Typical Application Circuit for XRP9711 Dual 6A Programmable Power Module. The XRP9711 is a programmable step down power modules providing two 6A outputs. The module package contains the switching controller, power MOSFETs, inductors and support components. As a result, external components are minimal. A wide input voltage range (4.75V to 5.5V or 5.5V to 22V) allows for single supply operation from standard power rails

Haupteigenschaften

  • Conversion Type
    DC to DC
  • Input Voltage
    4.75 to 5.5|5.5 to 22 V
  • Output Voltage
    0.6 to 5.5 V
  • Output Current
    6 A
  • Efficiency
    80 %
  • Topology
    Buck

Aktuelles über Elektronikkomponenten­

Wir haben unsere Datenschutzbestimmungen aktualisiert. Bitte nehmen Sie sich einen Moment Zeit, diese Änderungen zu überprüfen. Mit einem Klick auf "Ich stimme zu", stimmen Sie den Datenschutz- und Nutzungsbedingungen von Arrow Electronics zu.

Wir verwenden Cookies, um den Anwendernutzen zu vergrößern und unsere Webseite zu optimieren. Mehr über Cookies und wie man sie abschaltet finden Sie hier. Cookies und tracking Technologien können für Marketingzwecke verwendet werden.
Durch Klicken von „RICHTLINIEN AKZEPTIEREN“ stimmen Sie der Verwendung von Cookies auf Ihrem Endgerät und der Verwendung von tracking Technologien zu. Klicken Sie auf „MEHR INFORMATIONEN“ unten für mehr Informationen und Anleitungen wie man Cookies und tracking Technologien abschaltet. Das Akzeptieren von Cookies und tracking Technologien ist zwar freiwillig, das Blockieren kann aber eine korrekte Ausführung unserer Website verhindern, und bestimmte Werbung könnte für Sie weniger relevant sein.
Ihr Datenschutz ist uns wichtig. Lesen Sie mehr über unsere Datenschutzrichtlinien hier.