Typical Application Circuit Using LMV824-N Tri-level Voltage Detector

Referenzdesign unter Verwendung des Teils LMV824M/NOPB von Texas Instruments

Hersteller

Texas Instruments
  • Anwendungskategorie
    Verstärker und Komparatoren
  • Produkttyp
    Analogverstärkung

Für Endprodukte

  • Cellular Phone
  • Cordless Phone
  • Laptop
  • PCMCIA Card
  • Personal Digital Assistant

Beschreibung

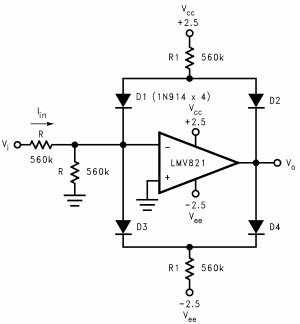
  • Typical Application Circuit Using LMV824-N Tri-level Voltage Detector. The LMV824 bring performance and economy to low voltage and low power systems. With a 5 MHz unity-gain frequency and a specified 1.4 V/us slew rate, the quiescent current is only 220 uA/amplifier (2.7V). The LMV824 provides rail-to-rail (R-to-R) output swing into heavy loads (600 O Guarantees). The input common-mode voltage range includes ground, and the maximum input offset voltage is 3.5 mV

Haupteigenschaften

  • Number of Supplies
    Quad
  • Supply Voltage
    5 V

Aktuelles über Elektronikkomponenten­

Wir haben unsere Datenschutzbestimmungen aktualisiert. Bitte nehmen Sie sich einen Moment Zeit, diese Änderungen zu überprüfen. Mit einem Klick auf "Ich stimme zu", stimmen Sie den Datenschutz- und Nutzungsbedingungen von Arrow Electronics zu.

Wir verwenden Cookies, um den Anwendernutzen zu vergrößern und unsere Webseite zu optimieren. Mehr über Cookies und wie man sie abschaltet finden Sie hier. Cookies und tracking Technologien können für Marketingzwecke verwendet werden.
Durch Klicken von „RICHTLINIEN AKZEPTIEREN“ stimmen Sie der Verwendung von Cookies auf Ihrem Endgerät und der Verwendung von tracking Technologien zu. Klicken Sie auf „MEHR INFORMATIONEN“ unten für mehr Informationen und Anleitungen wie man Cookies und tracking Technologien abschaltet. Das Akzeptieren von Cookies und tracking Technologien ist zwar freiwillig, das Blockieren kann aber eine korrekte Ausführung unserer Website verhindern, und bestimmte Werbung könnte für Sie weniger relevant sein.
Ihr Datenschutz ist uns wichtig. Lesen Sie mehr über unsere Datenschutzrichtlinien hier.