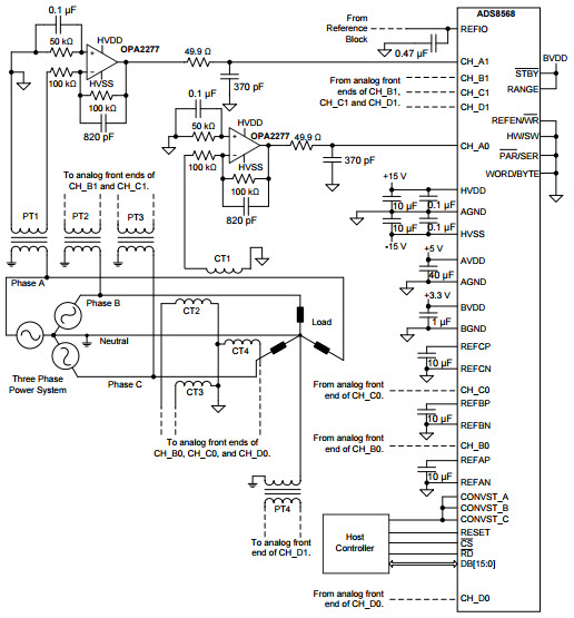
Typical Application for ADS8568, 16-Bit, 8-Channel, Simultaneous Sampling ADC

Referenzdesign unter Verwendung des Teils ADS8568SPM von Texas Instruments

Hersteller

Texas Instruments
  • Anwendungskategorie
    Datenkonvertierung
  • Produkttyp
    Analog zu Digital Wandlung

Für Endprodukte

  • Data Acquisition System
  • Industrial Programmable Logic Controllers (PLCs)
  • Motor Control
  • Power Quality Meter
  • Relay Driver

Beschreibung

  • Typical Application for ADS8568, 16-bit, 8-channel, successive approximation register (SAR) based analog-to-digital converter (ADC) with true bipolar inputs. These channels are grouped in four pairs, thus allowing simultaneous high-speed signal acquisition of up to 650 kSPS

Haupteigenschaften

  • ADC Resolution
    16 Bit
  • Number of Channels
    8CH

Aktuelles über Elektronikkomponenten­

Wir haben unsere Datenschutzbestimmungen aktualisiert. Bitte nehmen Sie sich einen Moment Zeit, diese Änderungen zu überprüfen. Mit einem Klick auf "Ich stimme zu", stimmen Sie den Datenschutz- und Nutzungsbedingungen von Arrow Electronics zu.

Wir verwenden Cookies, um den Anwendernutzen zu vergrößern und unsere Webseite zu optimieren. Mehr über Cookies und wie man sie abschaltet finden Sie hier. Cookies und tracking Technologien können für Marketingzwecke verwendet werden.
Durch Klicken von „RICHTLINIEN AKZEPTIEREN“ stimmen Sie der Verwendung von Cookies auf Ihrem Endgerät und der Verwendung von tracking Technologien zu. Klicken Sie auf „MEHR INFORMATIONEN“ unten für mehr Informationen und Anleitungen wie man Cookies und tracking Technologien abschaltet. Das Akzeptieren von Cookies und tracking Technologien ist zwar freiwillig, das Blockieren kann aber eine korrekte Ausführung unserer Website verhindern, und bestimmte Werbung könnte für Sie weniger relevant sein.
Ihr Datenschutz ist uns wichtig. Lesen Sie mehr über unsere Datenschutzrichtlinien hier.