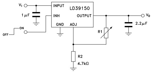
Typical Application for LD39150DT25-R Ultra Low-Drop BiCMOS Adjustable Voltage Regulator

Referenzdesign unter Verwendung des Teils LD39150DT25-R von STMicroelectronics

Hersteller

STMicroelectronics
  • Anwendungskategorie
    Spannungsversorgungen
  • Produkttyp
    Einzelausgangs Gleichspannungs Netzteil

Für Endprodukte

  • DSP Power Supply
  • Linear Regulators
  • Microprocessor Power Supply
  • Post-Regulators
  • Switching Power Supply

Beschreibung

  • Typical Application for LD39150DT25-R Ultra Low-Drop BiCMOS Adjustable Voltage Regulator. The LD39150 is a fast ultra low drop linear regulator which operates from 2.5 to 6 V input supply. A wide range of output options are available. The low drop voltage, low noise, and ultra low quiescent current make it suitable for low voltage microprocessor and memory applications. The device is developed on a BiCMOS process which allows low quiescent current operation independently of output load current

Haupteigenschaften

  • Conversion Type
    DC to DC
  • Topology
    LDO

Aktuelles über Elektronikkomponenten­

Wir haben unsere Datenschutzbestimmungen aktualisiert. Bitte nehmen Sie sich einen Moment Zeit, diese Änderungen zu überprüfen. Mit einem Klick auf "Ich stimme zu", stimmen Sie den Datenschutz- und Nutzungsbedingungen von Arrow Electronics zu.

Wir verwenden Cookies, um den Anwendernutzen zu vergrößern und unsere Webseite zu optimieren. Mehr über Cookies und wie man sie abschaltet finden Sie hier. Cookies und tracking Technologien können für Marketingzwecke verwendet werden.
Durch Klicken von „RICHTLINIEN AKZEPTIEREN“ stimmen Sie der Verwendung von Cookies auf Ihrem Endgerät und der Verwendung von tracking Technologien zu. Klicken Sie auf „MEHR INFORMATIONEN“ unten für mehr Informationen und Anleitungen wie man Cookies und tracking Technologien abschaltet. Das Akzeptieren von Cookies und tracking Technologien ist zwar freiwillig, das Blockieren kann aber eine korrekte Ausführung unserer Website verhindern, und bestimmte Werbung könnte für Sie weniger relevant sein.
Ihr Datenschutz ist uns wichtig. Lesen Sie mehr über unsere Datenschutzrichtlinien hier.