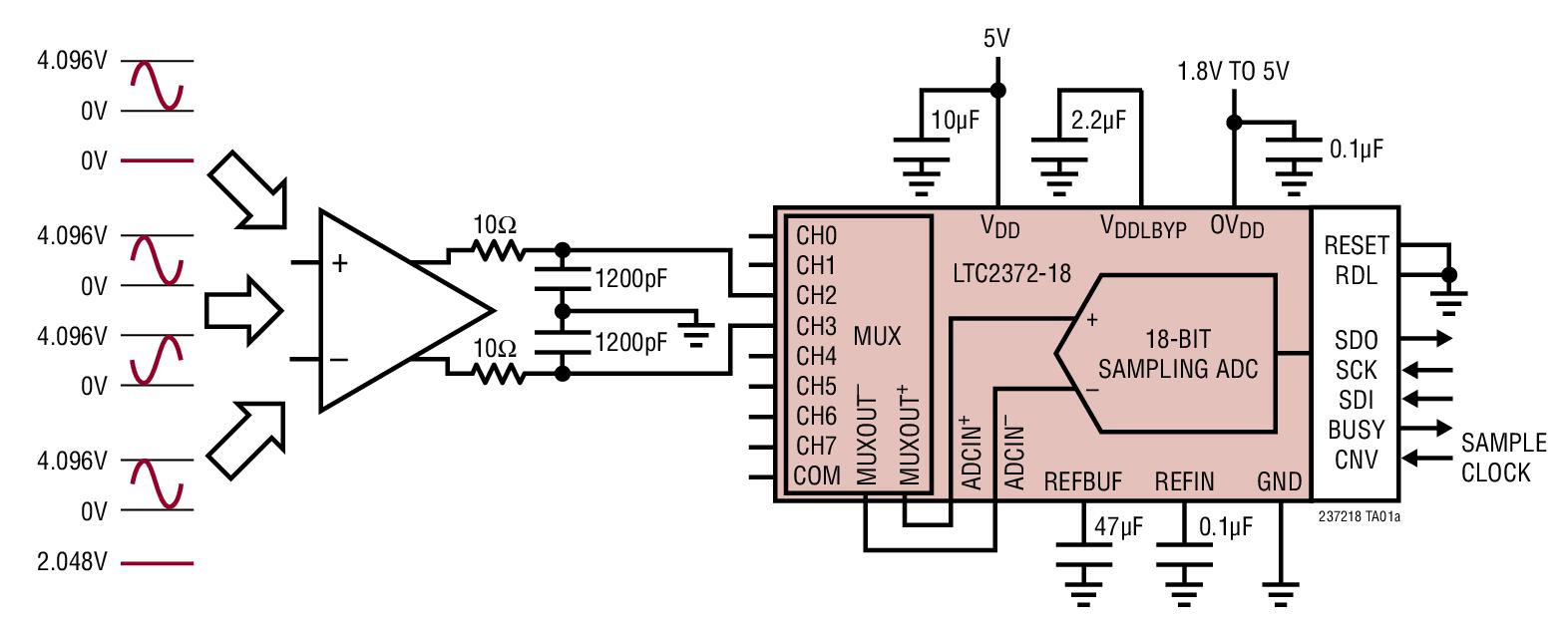
Typical Application for LTC2372-18, 18-Bit, 500-ksps, 8-Channel SAR ADC with 100dB SNR

Referenzdesign unter Verwendung des Teils LTC2372-18 von Analog Devices

Hersteller

Analog Devices
  • Anwendungskategorie
    Datenkonvertierung
  • Produkttyp
    Analog zu Digital Wandlung

Für Endprodukte

  • Data Acquisition System
  • Industrial Programmable Logic Controllers (PLCs)
  • Portable Instrumentation
  • Process Control

Beschreibung

  • Typical Application for LTC2372-18, 18-Bit, 500-ksps, 8-Channel SAR ADC. The LTC2372-18 is a low noise, high speed, 8-channel, 18-bit successive approximation register (SAR) ADC. Operating from a single 5V supply, the LTC2372-18 has a highly configurable, low crosstalk 8-channel input multiplexer, supporting fully differential, pseudo-differential unipolar and pseudo-differential bipolar analog input ranges

Haupteigenschaften

  • ADC Resolution
    18 Bit
  • ADC Sampling Rate
    500K SPS
  • Number of Channels
    8CH

Aktuelles über Elektronikkomponenten­

Wir haben unsere Datenschutzbestimmungen aktualisiert. Bitte nehmen Sie sich einen Moment Zeit, diese Änderungen zu überprüfen. Mit einem Klick auf "Ich stimme zu", stimmen Sie den Datenschutz- und Nutzungsbedingungen von Arrow Electronics zu.

Wir verwenden Cookies, um den Anwendernutzen zu vergrößern und unsere Webseite zu optimieren. Mehr über Cookies und wie man sie abschaltet finden Sie hier. Cookies und tracking Technologien können für Marketingzwecke verwendet werden.
Durch Klicken von „RICHTLINIEN AKZEPTIEREN“ stimmen Sie der Verwendung von Cookies auf Ihrem Endgerät und der Verwendung von tracking Technologien zu. Klicken Sie auf „MEHR INFORMATIONEN“ unten für mehr Informationen und Anleitungen wie man Cookies und tracking Technologien abschaltet. Das Akzeptieren von Cookies und tracking Technologien ist zwar freiwillig, das Blockieren kann aber eine korrekte Ausführung unserer Website verhindern, und bestimmte Werbung könnte für Sie weniger relevant sein.
Ihr Datenschutz ist uns wichtig. Lesen Sie mehr über unsere Datenschutzrichtlinien hier.