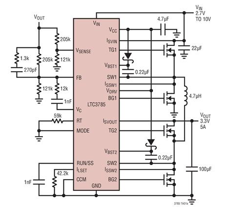
Typical Application for LTC3785 - 10V, High Efficiency, Synchronous, No RSENSE Buck-Boost Controller

Referenzdesign unter Verwendung des Teils LTC3785 von Analog Devices

Hersteller

Analog Devices
  • Anwendungskategorie
    Spannungsversorgungen
  • Produkttyp
    Einzelausgangs Gleichspannungs Netzteil

Zugehörige Dokumente

Für Endprodukte

  • Power Supplies

Beschreibung

  • Typical Application for LTC3785 - 10V, High Efficiency, Synchronous, No RSENSE Buck-Boost Controller. The LTC3785 is a high power synchronous buck-boost controller that drives all N-channel power MOSFETs from input voltages above, below and equal to the output voltage

Haupteigenschaften

  • Conversion Type
    DC to DC
  • Input Voltage
    2.7 to 10 V
  • Output Current
    5 A
  • Efficiency
    96 %
  • Topology
    Buck Boost

Aktuelles über Elektronikkomponenten­

Wir haben unsere Datenschutzbestimmungen aktualisiert. Bitte nehmen Sie sich einen Moment Zeit, diese Änderungen zu überprüfen. Mit einem Klick auf "Ich stimme zu", stimmen Sie den Datenschutz- und Nutzungsbedingungen von Arrow Electronics zu.

Wir verwenden Cookies, um den Anwendernutzen zu vergrößern und unsere Webseite zu optimieren. Mehr über Cookies und wie man sie abschaltet finden Sie hier. Cookies und tracking Technologien können für Marketingzwecke verwendet werden.
Durch Klicken von „RICHTLINIEN AKZEPTIEREN“ stimmen Sie der Verwendung von Cookies auf Ihrem Endgerät und der Verwendung von tracking Technologien zu. Klicken Sie auf „MEHR INFORMATIONEN“ unten für mehr Informationen und Anleitungen wie man Cookies und tracking Technologien abschaltet. Das Akzeptieren von Cookies und tracking Technologien ist zwar freiwillig, das Blockieren kann aber eine korrekte Ausführung unserer Website verhindern, und bestimmte Werbung könnte für Sie weniger relevant sein.
Ihr Datenschutz ist uns wichtig. Lesen Sie mehr über unsere Datenschutzrichtlinien hier.