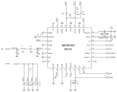
Typical Application for MICRF507: 470MHz to 510MHz Low-Power FSK Transceiver with +10dBm Power Amplifier

Referenzdesign unter Verwendung des Teils MICRF507 von Microchip Technology

Hersteller

Microchip Technology
  • Anwendungskategorie
    Drahtlose Kommunikation
  • Produkttyp
    Hochfrequenz Transceiver

Für Endprodukte

  • Communications and Telecom

Beschreibung

  • Typical Application for MICRF507: 470MHz to 510MHz Low-Power FSK Transceiver with +10dBm Power Amplifier. The MICRF507 is a fully integrated FSK transceiver with +10dBm power amplifier and transmit/receive switch. The device is targeted at automated meter reading (AMR) applications in the China Short Range Device (SRD) frequency band of 470MHz to 510MHz. The device supports data rates up to 20kbps with PLL divider modulation and up to 200kbps with VCO modulation. The receiver achieves a sensitivity of -113dBm at a data rate of 2.4kbps while only consuming 12mA of supply current

Aktuelles über Elektronikkomponenten­

Wir haben unsere Datenschutzbestimmungen aktualisiert. Bitte nehmen Sie sich einen Moment Zeit, diese Änderungen zu überprüfen. Mit einem Klick auf "Ich stimme zu", stimmen Sie den Datenschutz- und Nutzungsbedingungen von Arrow Electronics zu.

Wir verwenden Cookies, um den Anwendernutzen zu vergrößern und unsere Webseite zu optimieren. Mehr über Cookies und wie man sie abschaltet finden Sie hier. Cookies und tracking Technologien können für Marketingzwecke verwendet werden.
Durch Klicken von „RICHTLINIEN AKZEPTIEREN“ stimmen Sie der Verwendung von Cookies auf Ihrem Endgerät und der Verwendung von tracking Technologien zu. Klicken Sie auf „MEHR INFORMATIONEN“ unten für mehr Informationen und Anleitungen wie man Cookies und tracking Technologien abschaltet. Das Akzeptieren von Cookies und tracking Technologien ist zwar freiwillig, das Blockieren kann aber eine korrekte Ausführung unserer Website verhindern, und bestimmte Werbung könnte für Sie weniger relevant sein.
Ihr Datenschutz ist uns wichtig. Lesen Sie mehr über unsere Datenschutzrichtlinien hier.