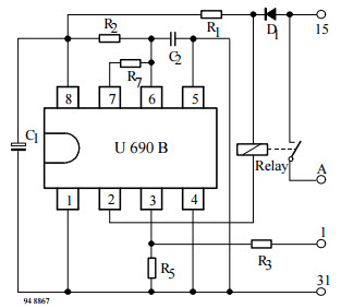
Typical Application for Motor Speed Depending Switch with Hysteresis

Referenzdesign unter Verwendung des Teils U690B von Microchip Technology

Hersteller

Microchip Technology
  • Anwendungskategorie
    Spannungsversorgungen
  • Produkttyp
    Einzelausgangs Gleichspannungs Netzteil

Für Endprodukte

  • Speed Detection

Beschreibung

  • Typical Application for Motor Speed Depending Switch with Hysteresis. This circuit can be used to activate a load, such as a warning lamp or buzzer via the relay (terminal A) at a certain speed Information regarding motor speed (rpm) from the ignition coil is delivered to signal input, Pin 3, via terminal 1. Resistor values, R3 and R5 are so dimensioned, that there is a peak voltage of nearly 3 V at Pin 3 (from the ignition coil)

Haupteigenschaften

  • Conversion Type
    DC to DC

Aktuelles über Elektronikkomponenten­

Wir haben unsere Datenschutzbestimmungen aktualisiert. Bitte nehmen Sie sich einen Moment Zeit, diese Änderungen zu überprüfen. Mit einem Klick auf "Ich stimme zu", stimmen Sie den Datenschutz- und Nutzungsbedingungen von Arrow Electronics zu.

Wir verwenden Cookies, um den Anwendernutzen zu vergrößern und unsere Webseite zu optimieren. Mehr über Cookies und wie man sie abschaltet finden Sie hier. Cookies und tracking Technologien können für Marketingzwecke verwendet werden.
Durch Klicken von „RICHTLINIEN AKZEPTIEREN“ stimmen Sie der Verwendung von Cookies auf Ihrem Endgerät und der Verwendung von tracking Technologien zu. Klicken Sie auf „MEHR INFORMATIONEN“ unten für mehr Informationen und Anleitungen wie man Cookies und tracking Technologien abschaltet. Das Akzeptieren von Cookies und tracking Technologien ist zwar freiwillig, das Blockieren kann aber eine korrekte Ausführung unserer Website verhindern, und bestimmte Werbung könnte für Sie weniger relevant sein.
Ihr Datenschutz ist uns wichtig. Lesen Sie mehr über unsere Datenschutzrichtlinien hier.