Typical Application for NCP511 150 mA CMOS Low Noise Low-Dropout Voltage Regulator for Delayed Turn-on

Referenzdesign unter Verwendung des Teils NCP511 von onsemi

Hersteller

onsemi
  • Anwendungskategorie
    Spannungsversorgungen
  • Produkttyp
    Einzelausgangs Gleichspannungs Netzteil

Für Endprodukte

  • Battery Powered Instrument
  • Camcorder
  • Cameras
  • Handheld Instruments

Beschreibung

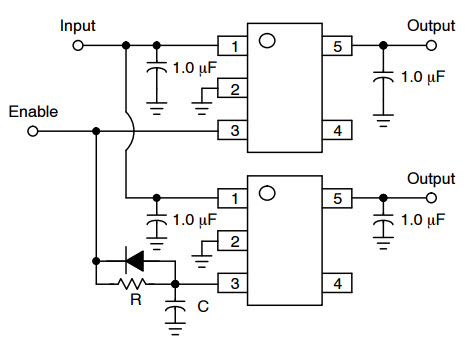
  • Typical Application for NCP511 150 mA CMOS Low Noise Low-Dropout Voltage Regulator for Delayed Turn-on. The NCP511 series of fixed output low dropout linear regulators are designed for handheld communication equipment and portable battery powered applications which require low quiescent current. The NCP511 series features an ultra-low quiescent current of 40 A. Each device contains a voltage reference unit, an error amplifier, a PMOS power transistor, resistors for setting output voltage, current limit, and temperature limit protection circuits

Haupteigenschaften

  • Conversion Type
    DC to DC
  • Topology
    LDO

Aktuelles über Elektronikkomponenten­

Wir haben unsere Datenschutzbestimmungen aktualisiert. Bitte nehmen Sie sich einen Moment Zeit, diese Änderungen zu überprüfen. Mit einem Klick auf "Ich stimme zu", stimmen Sie den Datenschutz- und Nutzungsbedingungen von Arrow Electronics zu.

Wir verwenden Cookies, um den Anwendernutzen zu vergrößern und unsere Webseite zu optimieren. Mehr über Cookies und wie man sie abschaltet finden Sie hier. Cookies und tracking Technologien können für Marketingzwecke verwendet werden.
Durch Klicken von „RICHTLINIEN AKZEPTIEREN“ stimmen Sie der Verwendung von Cookies auf Ihrem Endgerät und der Verwendung von tracking Technologien zu. Klicken Sie auf „MEHR INFORMATIONEN“ unten für mehr Informationen und Anleitungen wie man Cookies und tracking Technologien abschaltet. Das Akzeptieren von Cookies und tracking Technologien ist zwar freiwillig, das Blockieren kann aber eine korrekte Ausführung unserer Website verhindern, und bestimmte Werbung könnte für Sie weniger relevant sein.
Ihr Datenschutz ist uns wichtig. Lesen Sie mehr über unsere Datenschutzrichtlinien hier.