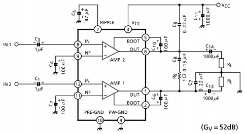
Typical Application for TA7280P Bipolar Linear Integrated Circuit Silicon Monolithic

Referenzdesign unter Verwendung des Teils TA7280P von Toshiba

Hersteller

Toshiba
  • Anwendungskategorie
    Audio
  • Produkttyp
    Audio Leistungsverstärker

Für Endprodukte

  • Consumer Applications

Beschreibung

  • Typical Application for TA7280P Bipolar Linear Integrated Circuit Silicon Monolithic. The TA7280P, TA7281P are dual audio power amplifier for consumer applications. It is designed for high power, low distortion and low noise. It also contains various kind of protectors

Aktuelles über Elektronikkomponenten­

Wir haben unsere Datenschutzbestimmungen aktualisiert. Bitte nehmen Sie sich einen Moment Zeit, diese Änderungen zu überprüfen. Mit einem Klick auf "Ich stimme zu", stimmen Sie den Datenschutz- und Nutzungsbedingungen von Arrow Electronics zu.

Wir verwenden Cookies, um den Anwendernutzen zu vergrößern und unsere Webseite zu optimieren. Mehr über Cookies und wie man sie abschaltet finden Sie hier. Cookies und tracking Technologien können für Marketingzwecke verwendet werden.
Durch Klicken von „RICHTLINIEN AKZEPTIEREN“ stimmen Sie der Verwendung von Cookies auf Ihrem Endgerät und der Verwendung von tracking Technologien zu. Klicken Sie auf „MEHR INFORMATIONEN“ unten für mehr Informationen und Anleitungen wie man Cookies und tracking Technologien abschaltet. Das Akzeptieren von Cookies und tracking Technologien ist zwar freiwillig, das Blockieren kann aber eine korrekte Ausführung unserer Website verhindern, und bestimmte Werbung könnte für Sie weniger relevant sein.
Ihr Datenschutz ist uns wichtig. Lesen Sie mehr über unsere Datenschutzrichtlinien hier.