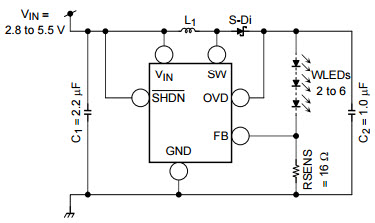
Typical Application for TB62737FUG Step-Up DC-DC Converter for 2 to 6 WLED Driver

Referenzdesign unter Verwendung des Teils TB62737FUG von Toshiba

Hersteller

Toshiba
  • Anwendungskategorie
    Beleuchtung
  • Produkttyp
    Treiber für weiße LEDs

Für Endprodukte

  • Cellular Phone
  • Handy Terminal
  • LCD Backlighting

Beschreibung

  • Typical Application for TB62737FUG Step-Up DC-DC Converter for 2 to 6 WLED Driver. The TB62737FUG is a high efficient step-up DC-DC converter specially designed for constant current driving of White LED. This IC can drive 2-6 white LEDs connected series using a Li-ion battery

Haupteigenschaften

  • Input Voltage
    2.8 to 5.5 V
  • Number of Derived Elements
    2 to 6

Aktuelles über Elektronikkomponenten­

Wir haben unsere Datenschutzbestimmungen aktualisiert. Bitte nehmen Sie sich einen Moment Zeit, diese Änderungen zu überprüfen. Mit einem Klick auf "Ich stimme zu", stimmen Sie den Datenschutz- und Nutzungsbedingungen von Arrow Electronics zu.

Wir verwenden Cookies, um den Anwendernutzen zu vergrößern und unsere Webseite zu optimieren. Mehr über Cookies und wie man sie abschaltet finden Sie hier. Cookies und tracking Technologien können für Marketingzwecke verwendet werden.
Durch Klicken von „RICHTLINIEN AKZEPTIEREN“ stimmen Sie der Verwendung von Cookies auf Ihrem Endgerät und der Verwendung von tracking Technologien zu. Klicken Sie auf „MEHR INFORMATIONEN“ unten für mehr Informationen und Anleitungen wie man Cookies und tracking Technologien abschaltet. Das Akzeptieren von Cookies und tracking Technologien ist zwar freiwillig, das Blockieren kann aber eine korrekte Ausführung unserer Website verhindern, und bestimmte Werbung könnte für Sie weniger relevant sein.
Ihr Datenschutz ist uns wichtig. Lesen Sie mehr über unsere Datenschutzrichtlinien hier.