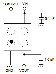
Typical Application for TCR4S285DWBG, 200mA, 2.85V Output Voltage CMOS Low-Dropout Regulator

Referenzdesign unter Verwendung des Teils TCR4S285DWBG von Toshiba

Hersteller

Toshiba
  • Anwendungskategorie
    Spannungsversorgungen
  • Produkttyp
    Einzelausgangs Gleichspannungs Netzteil

Für Endprodukte

  • Cellular Phone
  • Portable

Beschreibung

  • Typical Application for TCR4S285DWBG, 200mA, 2.85V Output Voltage CMOS Low-Dropout Regulator. The TCR4S12DWBG to TCR4S36DWBG are CMOS general-purpose single-output voltage regulators with an on/off control input, featuring low dropout voltage and low quiescent bias current. The TCR4S12WBG to TCR4S36WBG can be enabled and disabled via the CONTROL pin. These voltage regulators are available in fixed output voltages between 1.2V and 3.6V in 0.05V steps and capable of driving up to 200 mA. These devices are ideal for portable applications that require high-density board assembly such as cellular phones

Haupteigenschaften

  • Conversion Type
    DC to DC
  • Output Voltage
    2.85 V
  • Topology
    LDO

Aktuelles über Elektronikkomponenten­

Wir haben unsere Datenschutzbestimmungen aktualisiert. Bitte nehmen Sie sich einen Moment Zeit, diese Änderungen zu überprüfen. Mit einem Klick auf "Ich stimme zu", stimmen Sie den Datenschutz- und Nutzungsbedingungen von Arrow Electronics zu.

Wir verwenden Cookies, um den Anwendernutzen zu vergrößern und unsere Webseite zu optimieren. Mehr über Cookies und wie man sie abschaltet finden Sie hier. Cookies und tracking Technologien können für Marketingzwecke verwendet werden.
Durch Klicken von „RICHTLINIEN AKZEPTIEREN“ stimmen Sie der Verwendung von Cookies auf Ihrem Endgerät und der Verwendung von tracking Technologien zu. Klicken Sie auf „MEHR INFORMATIONEN“ unten für mehr Informationen und Anleitungen wie man Cookies und tracking Technologien abschaltet. Das Akzeptieren von Cookies und tracking Technologien ist zwar freiwillig, das Blockieren kann aber eine korrekte Ausführung unserer Website verhindern, und bestimmte Werbung könnte für Sie weniger relevant sein.
Ihr Datenschutz ist uns wichtig. Lesen Sie mehr über unsere Datenschutzrichtlinien hier.