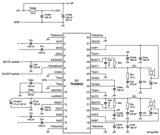
Typical Simplified Application for 2 + SE (asymmetrical supply) for TDA8932 Class-D audio amplifier

Referenzdesign unter Verwendung des Teils TDA8932 von NXP Semiconductors

Hersteller

NXP Semiconductors
  • Anwendungskategorie
    Audio
  • Produkttyp
    Audio Leistungsverstärker

Für Endprodukte

  • Flat Panel Display
  • Home Theater
  • LCD Monitor
  • Multimedia Devices
  • Television
  • Wireless Speaker

Beschreibung

  • Typical Simplified Application for 2 + SE (asymmetrical supply) for TDA8932 Class-D audio amplifier. The TDA8932 is a high efficiency class-D amplifier with low power dissipation

Haupteigenschaften

  • Amplifier Type
    Class-D

Aktuelles über Elektronikkomponenten­

Wir haben unsere Datenschutzbestimmungen aktualisiert. Bitte nehmen Sie sich einen Moment Zeit, diese Änderungen zu überprüfen. Mit einem Klick auf "Ich stimme zu", stimmen Sie den Datenschutz- und Nutzungsbedingungen von Arrow Electronics zu.

Wir verwenden Cookies, um den Anwendernutzen zu vergrößern und unsere Webseite zu optimieren. Mehr über Cookies und wie man sie abschaltet finden Sie hier. Cookies und tracking Technologien können für Marketingzwecke verwendet werden.
Durch Klicken von „RICHTLINIEN AKZEPTIEREN“ stimmen Sie der Verwendung von Cookies auf Ihrem Endgerät und der Verwendung von tracking Technologien zu. Klicken Sie auf „MEHR INFORMATIONEN“ unten für mehr Informationen und Anleitungen wie man Cookies und tracking Technologien abschaltet. Das Akzeptieren von Cookies und tracking Technologien ist zwar freiwillig, das Blockieren kann aber eine korrekte Ausführung unserer Website verhindern, und bestimmte Werbung könnte für Sie weniger relevant sein.
Ihr Datenschutz ist uns wichtig. Lesen Sie mehr über unsere Datenschutzrichtlinien hier.