UM1058, STEVAL-ILL029V2 and STEVAL-CBP007V1 Front Panel Demonstration Board with STLED325 and STMPE24M31 based touch panel

Referenzdesign unter Verwendung des Teils STLED325QTR von STMicroelectronics

Hersteller

STMicroelectronics
  • Anwendungskategorie
    Anzeigen
  • Produkttyp
    LED Anzeigentreiber

Für Endprodukte

  • DVD Player
  • DVD Recorder
  • Game Console
  • Home Appliances
  • Notebook
  • Portable Media Player
  • Set-Top Box
  • Smart Phone
  • Washing Machine
  • White Goods

Beschreibung

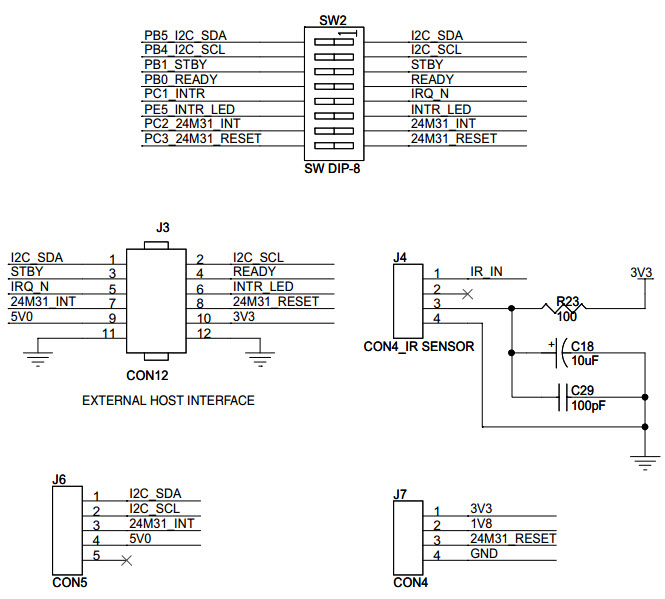
  • UM1058, STEVAL-ILL029V2 and STEVAL-CBP007V1 Front Panel Demonstration Board with STLED325 and STMPE24M31 based touch panel. It explains the operation of the front panel demonstration board based on the advanced LED controller driver STLED325 and 8-bit microcontroller STM8S as I2C master. This system can be operated along with the STMPE24M31-based touch panel or the mechanical keys. The objective of this board is to demonstrate the features of the STLED325 LED controller driver, such as key scanning, RTC, IR decoding, standby management, etc., as well as features of the advanced S-Touch device STMPE24M31 to fit the market segment of DVD players, DVD recorders, set-top boxes, washing machines, etc., keeping the system cost as low as possible

Haupteigenschaften

  • Display Type
    LED Display

Aktuelles über Elektronikkomponenten­

Wir haben unsere Datenschutzbestimmungen aktualisiert. Bitte nehmen Sie sich einen Moment Zeit, diese Änderungen zu überprüfen. Mit einem Klick auf "Ich stimme zu", stimmen Sie den Datenschutz- und Nutzungsbedingungen von Arrow Electronics zu.

Wir verwenden Cookies, um den Anwendernutzen zu vergrößern und unsere Webseite zu optimieren. Mehr über Cookies und wie man sie abschaltet finden Sie hier. Cookies und tracking Technologien können für Marketingzwecke verwendet werden.
Durch Klicken von „RICHTLINIEN AKZEPTIEREN“ stimmen Sie der Verwendung von Cookies auf Ihrem Endgerät und der Verwendung von tracking Technologien zu. Klicken Sie auf „MEHR INFORMATIONEN“ unten für mehr Informationen und Anleitungen wie man Cookies und tracking Technologien abschaltet. Das Akzeptieren von Cookies und tracking Technologien ist zwar freiwillig, das Blockieren kann aber eine korrekte Ausführung unserer Website verhindern, und bestimmte Werbung könnte für Sie weniger relevant sein.
Ihr Datenschutz ist uns wichtig. Lesen Sie mehr über unsere Datenschutzrichtlinien hier.