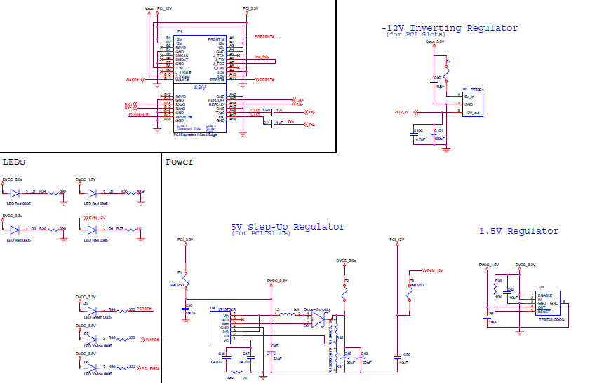
XIO2000 implements a Peripheral Component Interconnect Express to PCI bridge circuit using the XIO2000 PCI Express to PCI Bus Translation Bridge
Referenzdesign unter Verwendung des Teils XIO2000 von Texas Instruments
Für Endprodukte
- Industrial Control
Beschreibung
- XIO2000 implements a Peripheral Component Interconnect Express to PCI bridge circuit using the XIO2000 PCI Express to PCI Bus Translation Bridge. Designed as an x1 add-in card, it is routed on FR4 as a standard 4-layer (2 signals, 1 power and 1 ground) board with a 100 differential impedance (50 single-ended) using standard routing guidelines and requirements
Haupteigenschaften
-
Interface StandardsPCI-Bus
-
Bus Speed66 MHz
Empfohlene Bauteile (7)
| Teilenummer | Hersteller | Typ | Beschreibung | |||
|---|---|---|---|---|---|---|
|
|
24LC08B-I/STG | Microchip Technology | EEPROM | EEPROM Serial-I2C 8K-bit 4Block x 256 x 8 3.3V/5V 8-Pin TSSOP | In den Warenkorb | |
|
|
LT1370CR#PBF | Analog Devices | DC to DC Converter and Switching Regulator Chip | Conv DC-DC 2.4V to 30V Non-Inv/Inv/Step Up/Step Down Single-Out 1.245V to 35V 6A 8-Pin(7+Tab) DDPAK Tube | In den Warenkorb | |
|
|
24LC08B-I/ST | Microchip Technology | EEPROM | EEPROM Serial-I2C 8K-bit 4Block x 256 x 8 3.3V/5V 8-Pin TSSOP Tube | In den Warenkorb | |
|
|
TPS72615DCQR | Texas Instruments | Linear Regulators | LDO Regulator Pos 1.5V 1A 6-Pin(5+Tab) SOT-223 T/R | In den Warenkorb | |
|
|
LT1370CR#TRPBF | Analog Devices | DC to DC Converter and Switching Regulator Chip | Conv DC-DC 2.4V to 30V Non-Inv/Inv/Step Up/Step Down Single-Out 1.245V to 35V 6A 8-Pin(7+Tab) DDPAK T/R | In den Warenkorb | |
|
|
LT1370CR | Analog Devices | DC to DC Converter and Switching Regulator Chip | Conv DC-DC 2.4V to 30V Non-Inv/Inv/Step Up/Step Down Single-Out 1.245V to 35V 6A 8-Pin(7+Tab) DDPAK | In den Warenkorb | |
|
|
XIO2000GZZ | Texas Instruments | PCI Bridge Chip | PCI Bridge Chip 32bit 66MHz 201-Pin BGA MICROSTAR | In den Warenkorb | |