XRT86L34EVAL, Evaluation System based on XRT83SL38 Framer
Referenzdesign unter Verwendung des Teils XRT86L34 von MaxLinear
Für Endprodukte
- LAN ATM Transceiver
- Modems
- Test Equipment
- Wireless Base Station
Beschreibung
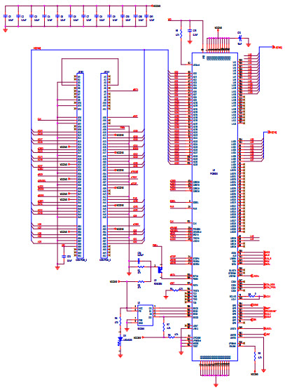
- XRT86L34EVAL, Evaluation System is an application board is setup as a common test circuit. The XRT86L34EVAL uses an FPGA designed to control the Framer/LIU and support communication between the PCI bridge and the XRT86L34. The FPGA chosen contains enough I/O pins to support all eight channels with one configuration. By default, the FPGA is configured into an FPGA loopback mode, whereby the output pins from the Framer block are internally looped back to the input pins. This allows standard network equipment connected to the physical interface to monitor data integrity through a complete communication path
Empfohlene Bauteile (15)
| Teilenummer | Hersteller | Typ | Beschreibung | |||
|---|---|---|---|---|---|---|
|
|
REG103FA-5KTTTG3 | Texas Instruments | Linear Regulators | LDO Regulator Pos 5V 0.5A 6-Pin(5+Tab) DDPAK Tube | In den Warenkorb | |
|
|
REG103FA-5KTTT | Texas Instruments | Linear Regulators | LDO Regulator Pos 5V 0.5A 6-Pin(5+Tab) DDPAK Tube | In den Warenkorb | |
|
|
REG103FA-3.3KTTTG3 | Texas Instruments | Linear Regulators | LDO Regulator Pos 3.3V 0.5A 6-Pin(5+Tab) DDPAK T/R | In den Warenkorb | |
|
|
REG103FA-3.3/500 | Texas Instruments | Linear Regulators | LDO Regulator Pos 3.3V 0.5A 6-Pin(5+Tab) DDPAK T/R | In den Warenkorb | |
|
|
REG103FA-2.5/500G3 | Texas Instruments | Linear Regulators | LDO Regulator Pos 2.5V 0.5A 6-Pin(5+Tab) DDPAK T/R | In den Warenkorb | |
|
|
REG103FA-AKTTT | Texas Instruments | Linear Regulators | LDO Regulator Pos 1.295V to 5.5V 0.5A 6-Pin(5+Tab) DDPAK Tube | In den Warenkorb | |
|
|
REG103FA-2.5KTTTG3 | Texas Instruments | Linear Regulators | LDO Regulator Pos 2.5V 0.5A 6-Pin(5+Tab) DDPAK Tube | In den Warenkorb | |
|
|
REG103FA-2.5KTTT | Texas Instruments | Linear Regulators | LDO Regulator Pos 2.5V 0.5A 6-Pin(5+Tab) DDPAK Tube | In den Warenkorb | |
|
|
REG103FA-AKTTTG3 | Texas Instruments | Linear Regulators | LDO Regulator Pos 1.295V to 5.5V 0.5A 6-Pin(5+Tab) DDPAK T/R | In den Warenkorb | |
|
|
REG103FA-A/500 | Texas Instruments | Linear Regulators | LDO Regulator Pos 1.295V to 5.5V 0.5A 6-Pin(5+Tab) DDPAK T/R | In den Warenkorb | |
|
|
REG103FA-3.3KTTT | Texas Instruments | Linear Regulators | LDO Regulator Pos 3.3V 0.5A 6-Pin(5+Tab) DDPAK Tube | In den Warenkorb | |
|
|
REG103FA-3.3/500 | Texas Instruments | Linear Regulators | LDO Regulator Pos 3.3V 0.5A 6-Pin(5+Tab) DDPAK T/R | In den Warenkorb | |