Diese isolierten Halbbrücken-Gate-Treiber mit einstellbarer Totzeit und einer Ausgabe von 4 A ermöglichen die zuverlässige Steuerung der Schaltungsmerkmale von Konfigurationen mit isolierten bipolaren Gate-Transistoren (Insulated Gate Bipolar Transistor (IGBT)/Metalloxid-Halbleiter-Feldeffekttransistoren (Metal-Oxide Semiconductor Field Effect Transistor, MOSFET) und Siliziumkarbid (SiC)-Geräten.
● ADuM4221* Dual-Eingangsoption mit Totzeit
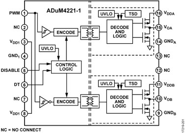
● ADuM4221-1 Einzeleingang mit Totzeit
● ADuM4221-2 Dual-Eingangsoption ohne Totzeit
● ADuM4221W Dual-Eingangsoption mit Totzeit für den Automobilbau
Haupteigenschaften und Vorteile
● Zwei-Kanal-Gate-Treiber mit einstellbarer Totzeit zur Verbesserung der Effizienz insgesamt
● Robuste OOK-Architektur bietet branchenführende CMTI zur Verwendung mit neueren Hochleistungsanwendungen wie GaN- und SiC-Schaltertechnologien
● Hohe Treiberstärke und niedrige Verzögerung für Höchstleistungsanwendungen; Prop-Verzögerung von 45 ns, Kanal-zu-Kanal-Versatz von 10 ns; überragende Timing-Stabilität reduziert Spannungsverzerrung und Oberwellen und bietet damit eine längere Nutzungsdauer; die Ausgabe-Treiberstärke ermöglicht eine schnellere Schaltung von Geräten
● Drittanbieterlösung mit Wolfspeed Cree
Anwendungen
● Automobilbau: HEV, Batteriemanagementlösungen (BMS), Inverter und E-Motor-Systeme, SiC, breite Bandlücke
● Energieversorgung: Energiespeicherung, Solarinverter, Windturbinen
● Industrieautomatisierung: Bewegungssteuerung, Feldgeräte
● Instrumentierung: DC-Quellen und Spannungsversorgungen, Batterieformierung und Test
Evaluierungsplatine
Die ADuM4221/-1/-2/W können mit den Platinen EVAL-ADUM4221EBZ und EVAL-ADUM4221-1EBZ evaluiert werden.
Blockdiagramme und Tabellen





