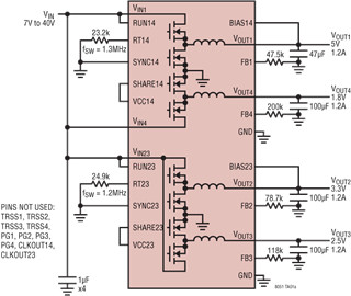
Beim LTM8051 handelt es sich um einen Silent Switcher® μModule® Vierkanal-Abwärtsspannungsregler mit 40 Vin und 1,2 A. Die Silent Switcher-Architektur minimiert die EMI-Emissionen und liefert gleichzeitig große Leistungsfähigkeit bei Frequenzen von bis zu 3 MHz. Das Paket enthält Controller, Leistungsschalter, Induktoren und unterstützende Komponenten.
● Vierkanaliger 1,2-A-Ausgangsstrom für mehrere Spannungsschienen
● Minimiertes Risiko für Frequenzstörungen durch niedrige EMI-Emissionen
Haupteigenschaften und Vorteile
● Silent Switcher μModule Vierkanalregler mit 1,2 A Ausgangsstrom, der für mehrere Spannungsschienen verwendet werden kann und weniger Platz auf der Platine einnimmt● Mit CISPR 22 Klasse B konforme Silent Switcher-Architektur mit niedrigen EMI-Emissionen, die sich ideal für rauschempfindliche Anwendungen, wie Signalverarbeitung bei der medizinischen Bildgebung und RF, eignet und das Risiko für Frequenzstörungen minimiert
● Eingangsspannung: bis zu 40 V
Anwendungen
● Aerospace and Defense● Kommunikation
● Instrumentierung und Messungen
● Gesundheitswesen
Evaluierungsplatine
Der LTM8051 kann mit der DC2860A evaluiert werden.Blockdiagramme und Tabellen



