Zum Lesen und Überwachen der Temperatur sind viele verschiedene Geräte am Markt erhältlich. Von einfachen Thermometern bis zur optischen Messung der Strahlung schwarzer Körper: Hier waren viele clevere Erfinder am Werk. Das Ergebnis sind einfache und intuitiv verständliche und komplexe oder schwer durchschaubare Techniken.
Die Kosten eines Temperatursensors oder einer Schaltung zur Grenzwerterkennung können proportional zur geforderten Genauigkeit ansteigen. In einer Maschine, in der Chemikalien gemischt werden, muss ggf. eine Lösung auf einen ganz genauen Temperaturwert gebracht werden, bevor diese mit einem Reagenz gemischt wird. Auch medizinisches Gerät muss vor der Analyse einer Blutprobe einen genauen Temperaturwert annehmen.
Allerdings sind präzise Temperaturmessungen nicht in jeder Situation entscheidend. In vielen Fällen genügt ein einfacher Schätzwert. Dies ist zum Beispiel bei älteren Thermostaten der Fall. Für die manuellen und mechanischen Einstellungen genügt ein Zeigerinstrument, das die Raumtemperatur mit akzeptabler Genauigkeit anzeigt. Der Einsatz eines auf fünf Stellen hinter dem Komma kalibrierten und kompensierten Temperaturerfassungssystems wäre hierbei viel zu aufwendig und kostspielig.
Zum Glück lässt sich mithilfe von preiswerten Standard-Dioden auf einfache Weise ein relativ genauer Temperatursensor realisieren. Hierbei werden die Eigenschaften eines Halbleiterübergangs in Sperrrichtung genutzt. Der Sperrstrom ist direkt proportional zur Temperatur des Siliziums. Daher lässt sich mit entsprechender Vorspannung mit einer preiswerten Diode eine Sperrspannung erzeugen, welche proportional zu ihrer Temperatur ist.
Die genauen Eigenschaften der Schaltung hängen zwar von der Diode ab, aber das Verhältnis aus −x µV/˚C ist eine typische Reaktion eines Siliziumübergangs in Sperrrichtung in Abhängigkeit von der Temperatur.
Wie Sie diese Informationen nutzen, hängt von Ihren Anforderungen ab. Bei einem thermischen Begrenzungsschalter lässt sich beispielsweise mithilfe einer Diode und eines Widerstands ein Komparator versorgen. Dadurch ändert sich der Status eines festgelegten Schwellwerts und ermöglicht eine Heizungssteuerung, z. B. zur Aufrechterhaltung eines Temperaturbereichs (beachten Sie, dass die Hysterese hier der Vermeidung größerer Schwankungen um den Auslösepunkt dient).

Abbildung 1: Ein in Sperrrichtung vorgespannter Diodenübergang wirkt als Stromquelle (I), deren Strom proportional zur Temperatur und der Spannung ist. Der resultierende Strom erzeugt eine Spannung über einem Sensorwiderstand, die verwendet werden können, um diesen einfachen Grenz- oder Schwellenwertschalter zu realisieren.
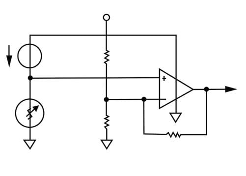
In einer ausgefeilteren Schaltung mit Operationsverstärker lässt sich in Kombination mit einem variablen Widerstand oder mit digitalen Trimmern ein unterer und ein oberer Kalibrierungspunkt einstellen (Abbildung 2). Der Strom in Sperrichtung ist ist zwar weitgehend linear, jedoch mit Abweichungen. Daher steht bei Nutzung eines integrierten Mikrocontrollers auch eine Tabelle zur Verfügung, in der der genaue Grenzwert verzeichnet ist.

Abbildung 2: Mit analogen Trimmpotenziometern oder digitalen Trimmern kann eine rudimentäre Kalibrierungsschaltung für die Messbereichsgrenzen aufgebaut werden.
Zudem gibt es integrierte Halbleiterlösungen und Evaluierungskits, bei denen Konstrukteure eine Diode für abgesetzte Standorte auswählen können. Dies kann ausgesprochen praktisch sein, da sich viele Diodengehäuse aus Metall thermisch an die Metallgeräte koppeln lassen, die überwacht werden müssen.
Ein Beispielkit von Texas Instruments ist das LM95235EVAL, bei dem Dioden oder Transistoren als Temperatursensoren genutzt werden können. Bei Transistoren wird die Kollektor-Emitter-Strecker als Fühlerelement (Abbildung 3) verwendet. Oft kommen dabei kleine Gehäuse aus Metall zum Einsatz, welche eine gute thermische Kopplung mit der Messstelle ermöglichen.

Abbildung 3: Integrierte Schaltkreise wie der Temperatursensor LM95235 von Texas Instruments führen auf Grundlage der thermischen Eigenschaften von Dioden und Transistoren und dem Sperrverhalten von P/N-Übergängen auf 11 Stellen hinter dem Komma genaue Ferntemperaturmessungen durch. (Quelle: Texas Instruments)
Das TI-Entwicklungskit ist zwar nicht so solide und präzise wie ein integrierter kalibrierter und kompensierter Festkörperschaltkreis, zeigt aber, dass sich mit Dioden und Transistoren als Temperatursensoren eine Genauigkeit von 11 Stellen hinter dem Komma erzielen lässt. So erzielen Sie die gewünschte Genauigkeit zu geringen Kosten.

