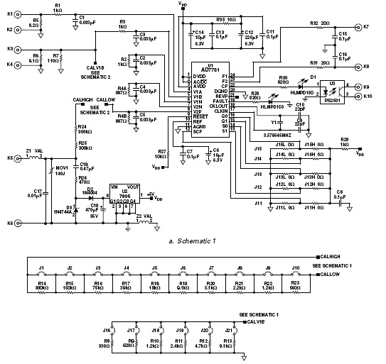
A Tamper-Resistant Watt-Hour Energy Meter Based on the AD7751 and Two Current Sensors
Referenzdesign unter Verwendung des Teils AD7751 von Analog Devices
Für Endprodukte
- Energy Meter
Beschreibung
- A Tamper-Resistant Watt-Hour Energy Meter Based on the AD7751 and Two Current Sensors
Empfohlene Bauteile (29)
| Teilenummer | Hersteller | Typ | Beschreibung | |||
|---|---|---|---|---|---|---|
|
|
LM78L05ACZ/LFT1 | Texas Instruments | Linear Regulators | Standard Regulator Pos 5V 0.1A 3-Pin TO-92 T/R | In den Warenkorb | |
|
|
LM78L05ACMX/NOPB | Texas Instruments | Linear Regulators | Standard Regulator Pos 5V 0.1A 8-Pin SOIC T/R | In den Warenkorb | |
|
|
LM78L05ACZ/LFT3 | Texas Instruments | Linear Regulators | Standard Regulator Pos 5V 0.1A 3-Pin TO-92 T/R | In den Warenkorb | |
|
|
LM78L05ACMX/NOPB | Texas Instruments | Linear Regulators | Standard Regulator Pos 5V 0.1A 8-Pin SOIC T/R | In den Warenkorb | |
|
|
LM78L05ACZ/LFT4 | Texas Instruments | Linear Regulators | Standard Regulator Pos 5V 0.1A 3-Pin TO-92 T/R | In den Warenkorb | |
|
|
LM78L05ACZLFT2/NOPB | Texas Instruments | Linear Regulators | Standard Regulator Pos 5V 0.1A 3-Pin TO-92 T/R | In den Warenkorb | |
|
|
LM78L05ITPX/NOPB | Texas Instruments | Linear Regulators | Standard Regulator Pos 5V 0.1A 8-Pin Thin uSMD T/R | In den Warenkorb | |
|
|
LM78L05ACM/NOPB | Texas Instruments | Linear Regulators | Standard Regulator Pos 5V 0.1A 8-Pin SOIC Tube | In den Warenkorb | |
|
|
PS2501-1-H-A | Renesas Electronics | Transistor and Photovoltaic Output Photocouplers | DC-IN 1-CH Transistor DC-OUT 4-Pin PDIP Magazine | In den Warenkorb | |
|
|
LM78L05AIM/NOPB | Texas Instruments | Linear Regulators | Standard Regulator Pos 5V 0.1A 8-Pin SOIC Tube | In den Warenkorb | |
|
|
LM78L05ACZ/NOPB | Texas Instruments | Linear Regulators | Standard Regulator Pos 5V 0.1A 3-Pin TO-92 Bulk | In den Warenkorb | |
|
|
LM78L05ITP/NOPB | Texas Instruments | Linear Regulators | Standard Regulator Pos 5V 0.1A 8-Pin Thin uSMD T/R | In den Warenkorb | |