AD9257-65EBZ, Evaluation Board for the AD9257, 8-Channel, 14-Bit, 65 MSPS Analog-to-Digital Converter
Referenzdesign unter Verwendung des Teils AD9257BCPZ von Analog Devices
Zugehörige Dokumente
Für Endprodukte
- Beam Generators
- Medical Imaging
- Optical Networking
- Portable
- Test Equipment
- Ultrasound Imaging
Beschreibung
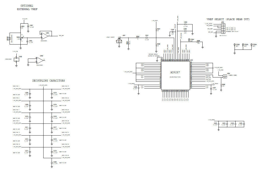
- AD9257-65EBZ, Evaluation Board for the AD9257, 8-Channel, 14-Bit, 65 MSPS analog-to-digital converter (ADC) with an on-chip sample-and-hold circuit designed for low cost, low power, small size, and ease of use. The product operates at a conversion rate of up to 80 MSPS and is optimized for outstanding dynamic performance and low power in applications where a small package size is critical. The ADC requires a single 1.8 V power supply and LVPECL-/ CMOS-/LVDS compatible sample rate clock for full performance operation. No external reference or driver components are required for many applications
Haupteigenschaften
-
ADC Resolution14 Bit
-
ADC Sampling Rate65M SPS
-
Number of Channels8CH
Empfohlene Bauteile (13)
| Teilenummer | Hersteller | Typ | Beschreibung | |||
|---|---|---|---|---|---|---|
|
|
AD822BRZ | Analog Devices | Operational Amplifiers - Op Amps | Op Amp Dual Low Power Amplifier R-R O/P ±15V/30V 8-Pin SOIC N Tube | In den Warenkorb | |
|
|
NC7WZ16P6X | onsemi | Buffers and Line Drivers | Buffer 2-CH Non-Inverting CMOS 6-Pin SC-88 T/R | In den Warenkorb | |
|
|
AD822BRZ-REEL | Analog Devices | Operational Amplifiers - Op Amps | Op Amp Dual Low Power Amplifier R-R O/P ±15V/30V 8-Pin SOIC N T/R | In den Warenkorb | |
|
|
ADP1706ARDZ-3.3-R7 | Analog Devices | Linear Regulators | LDO Regulator Pos 3.3V 1A 8-Pin SOIC N EP T/R | In den Warenkorb | |
|
|
ADP2108AUJZ-1.8-R7 | Analog Devices | DC to DC Converter and Switching Regulator Chip | Conv DC-DC 2.3V to 5.5V Synchronous Step Down Single-Out 1.8V 0.6A 5-Pin TSOT T/R | In den Warenkorb | |
|
|
NC7WZ07P6X | onsemi | Buffers and Line Drivers | Buffer/Driver 2-CH Non-Inverting Open Drain CMOS 6-Pin SC-88 T/R | In den Warenkorb | |
|
|
ADP1706ARDZ-1.8-R7 | Analog Devices | Linear Regulators | LDO Regulator Pos 1.8V 1A 8-Pin SOIC N EP T/R | In den Warenkorb | |
|
|
AD822BRZ-REEL7 | Analog Devices | Operational Amplifiers - Op Amps | Op Amp Dual Low Power Amplifier R-R O/P ±15V/30V 8-Pin SOIC N T/R | In den Warenkorb | |
|
|
AD1580ARTZ-REEL7 | Analog Devices | Voltage References | V-Ref Precision 1.225V 10mA 3-Pin SOT-23 T/R | In den Warenkorb | |
|
|
AD9257BCPZRL7-65 | Analog Devices | Analog to Digital Converters - ADCs | 8-Channel Octal ADC Pipelined 65Msps 14-bit Serial 64-Pin LFCSP EP T/R | In den Warenkorb | |
|
|
AD9257BCPZRL7-40 | Analog Devices | Analog to Digital Converters - ADCs | 8-Channel Octal ADC Pipelined 40Msps 14-bit Serial 64-Pin LFCSP EP T/R | In den Warenkorb | |
|
|
AD9257BCPZ-40 | Analog Devices | Analog to Digital Converters - ADCs | 8-Channel Octal ADC Pipelined 40Msps 14-bit Serial 64-Pin LFCSP EP Tray | In den Warenkorb | |