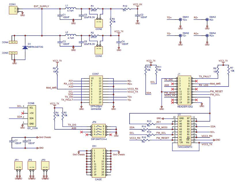
AFCT-5016Z, SFP+ Evaluation Board for SFP+ fiber optic transceiver

Referenzdesign unter Verwendung des Teils AFBR-57D5APZ von Broadcom Inc

Hersteller

Broadcom Inc
  • Anwendungskategorie
    Optische
  • Produkttyp
    Optischer Sender-Empfänger

Für Endprodukte

  • Optical Networking

Beschreibung

  • AFCT-5016Z, SFP+ Evaluation Board for SFP+ fiber optic transceiver. The Purpose of this SFP+ Evaluation Board Is to Provide the Designer With a Convenient Means for Evaluating SFP+ Fiber Optic Transceiver Such as AFBR-700SDZ and AFBR-57D5APZ Compliant With MSA SFF-8074i or SFF-8472

Aktuelles über Elektronikkomponenten­

Wir haben unsere Datenschutzbestimmungen aktualisiert. Bitte nehmen Sie sich einen Moment Zeit, diese Änderungen zu überprüfen. Mit einem Klick auf "Ich stimme zu", stimmen Sie den Datenschutz- und Nutzungsbedingungen von Arrow Electronics zu.

Wir verwenden Cookies, um den Anwendernutzen zu vergrößern und unsere Webseite zu optimieren. Mehr über Cookies und wie man sie abschaltet finden Sie hier. Cookies und tracking Technologien können für Marketingzwecke verwendet werden.
Durch Klicken von „RICHTLINIEN AKZEPTIEREN“ stimmen Sie der Verwendung von Cookies auf Ihrem Endgerät und der Verwendung von tracking Technologien zu. Klicken Sie auf „MEHR INFORMATIONEN“ unten für mehr Informationen und Anleitungen wie man Cookies und tracking Technologien abschaltet. Das Akzeptieren von Cookies und tracking Technologien ist zwar freiwillig, das Blockieren kann aber eine korrekte Ausführung unserer Website verhindern, und bestimmte Werbung könnte für Sie weniger relevant sein.
Ihr Datenschutz ist uns wichtig. Lesen Sie mehr über unsere Datenschutzrichtlinien hier.