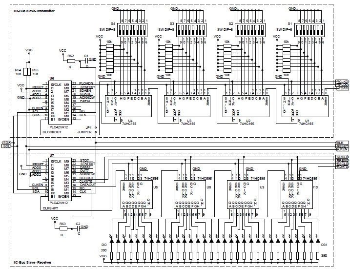
Application Circuit describes two PLD designs made with the PLC42VA12 SPLD

Referenzdesign unter Verwendung des Teils PLC42VA12 von NXP Semiconductors

Hersteller

NXP Semiconductors
  • Anwendungskategorie
    Schnittstelle
  • Produkttyp
    SPI Schnittstelle

Für Endprodukte

  • Communications and Telecom

Beschreibung

  • Application Circuit describes two PLD designs made with the PLC42VA12. Both designs are controller functions for an I2C-bus n-bit I/O Expander. The first design is a controller function for a n-bit I2C-bus Input Expansion (I2C-bus Slave Transmitter function) and the second one for a n-bit I2C-bus Output Expansion (I2C-bus Slave Receiver function)

Haupteigenschaften

  • Interface Standards
    SPI

Aktuelles über Elektronikkomponenten­

Wir haben unsere Datenschutzbestimmungen aktualisiert. Bitte nehmen Sie sich einen Moment Zeit, diese Änderungen zu überprüfen. Mit einem Klick auf "Ich stimme zu", stimmen Sie den Datenschutz- und Nutzungsbedingungen von Arrow Electronics zu.

Wir verwenden Cookies, um den Anwendernutzen zu vergrößern und unsere Webseite zu optimieren. Mehr über Cookies und wie man sie abschaltet finden Sie hier. Cookies und tracking Technologien können für Marketingzwecke verwendet werden.
Durch Klicken von „RICHTLINIEN AKZEPTIEREN“ stimmen Sie der Verwendung von Cookies auf Ihrem Endgerät und der Verwendung von tracking Technologien zu. Klicken Sie auf „MEHR INFORMATIONEN“ unten für mehr Informationen und Anleitungen wie man Cookies und tracking Technologien abschaltet. Das Akzeptieren von Cookies und tracking Technologien ist zwar freiwillig, das Blockieren kann aber eine korrekte Ausführung unserer Website verhindern, und bestimmte Werbung könnte für Sie weniger relevant sein.
Ihr Datenschutz ist uns wichtig. Lesen Sie mehr über unsere Datenschutzrichtlinien hier.