CC2430EM_DISCRETE_REFDES, CC2430EM Discrete Balun Reference Design

Referenzdesign unter Verwendung des Teils CC2430F von Texas Instruments

Hersteller

Texas Instruments
  • Anwendungskategorie
    Drahtlose Kommunikation
  • Produkttyp
    Drahtlos Systeme

Für Endprodukte

  • Building Management
  • Computers and Peripherals
  • Consumer Electronics
  • Home Appliances
  • Remote Control
  • Set-Top Box
  • System Monitoring and Control
  • Wireless
  • Wireless Sensor

Beschreibung

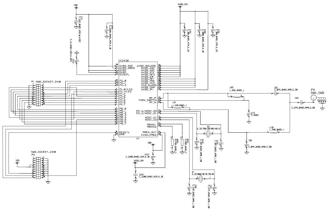
  • CC2430EM_DISCRETE_REFDES, CC2430EM discrete balun Reference Design contains schematics and layout files for the CC2430EM. The reference design demonstrates techniques for CC2430 decoupling and RF layout. for optimum RF performance, the reference design should be copied accurately. This is a 2-layer reference design with a fully discrete balun and SMA antenna connector designed for a single ended 50 ohm antenna

Aktuelles über Elektronikkomponenten­

Wir haben unsere Datenschutzbestimmungen aktualisiert. Bitte nehmen Sie sich einen Moment Zeit, diese Änderungen zu überprüfen. Mit einem Klick auf "Ich stimme zu", stimmen Sie den Datenschutz- und Nutzungsbedingungen von Arrow Electronics zu.

Wir verwenden Cookies, um den Anwendernutzen zu vergrößern und unsere Webseite zu optimieren. Mehr über Cookies und wie man sie abschaltet finden Sie hier. Cookies und tracking Technologien können für Marketingzwecke verwendet werden.
Durch Klicken von „RICHTLINIEN AKZEPTIEREN“ stimmen Sie der Verwendung von Cookies auf Ihrem Endgerät und der Verwendung von tracking Technologien zu. Klicken Sie auf „MEHR INFORMATIONEN“ unten für mehr Informationen und Anleitungen wie man Cookies und tracking Technologien abschaltet. Das Akzeptieren von Cookies und tracking Technologien ist zwar freiwillig, das Blockieren kann aber eine korrekte Ausführung unserer Website verhindern, und bestimmte Werbung könnte für Sie weniger relevant sein.
Ihr Datenschutz ist uns wichtig. Lesen Sie mehr über unsere Datenschutzrichtlinien hier.